To content
Помощь по сайту
Новости
zapros.kg@autopiter.com
Контакты
Страна: Кыргызстан
Выберите язык
Ru — Русский
En — English
De — Deutsch
Pl — Polski
Все категории
Каталоги запчастей
Бишкек
Вход
Корзина
Все категории
Каталоги запчастей
Фильтры Hebel Kraft
Оригинальные каталоги по VIN
Неоригинальные запчасти
Запчасти ВАЗ, ГАЗ, КАМАЗ
Запчасти для ТО
Для спецтехники
33108120170
18 предложений
Производители:
G-Part
NN
Prc
RF
Unknown Brand
Автоваз
Автокомпонент
Автоприбор
Агрегат
Газ
Запчасть
Змз
Метизы
Пластик
Россия
Технопласт
Уаз
ЯЗРТИ
Prc
33108120170
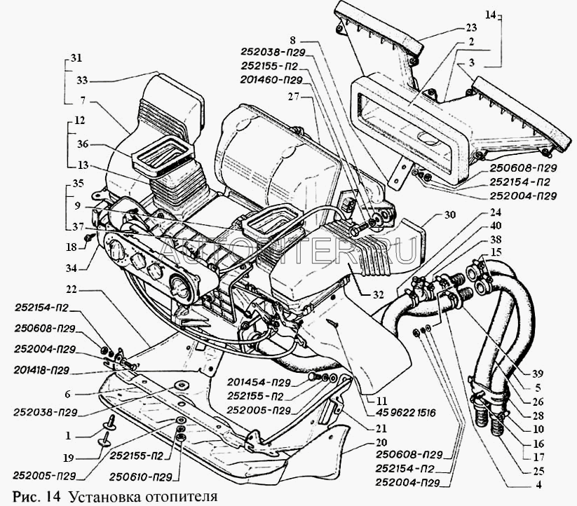
Соединитель шлангов отопителя ГАЗель, Соболь, Валдай 3310-8120170
Газ
33108120170
Соединитель шлангов отопителя подводящий/ отводящий 2217/2705/3302/ 33106/ 33104 ГАЗ
Уаз
33108120170
Соеденитель шлангов отопителя двойной УАЗ, ГАЗ d18*18 пласт. н/о 3310-8120170
Пластик
33108120170
Штуцер радиатора ото
Россия
33108120170
ШТУЦЕР*СОЕДИНИТ ШЛАНГОВ D=18 ДВОЙНОЙ
Автоваз
33108120170
Соединитель шлангов отопителя
Автоприбор
33108120170
Змз
33108120170
Unknown Brand
33108120170
Технопласт
33108120170
Штуцер отопителя ГАЗель соединитель (бинокль)
Автокомпонент
33108120170
Штуцер-соединитель (бинокль) отопителя ГАЗель
Метизы
33108120170
Соединитель шлангов отопителя (ДВОЙНОЙ) УАЗ, ГАЗ 3302, 33104 d20х20 пласт. (нов.обр.) / 3310-8120170
ЯЗРТИ
33108120170
G-Part
33108120170
Агрегат
33108120170
k/016643/Профит-НН/Переходник патрубков отопителя Валдай 3310
NN
33108120170
Запчасть
33108120170
Штуцер отопителя соеденитель бинокль GZL 3310-8120
RF
33108120170
Рекомендуем
Заказы на сайте принимаются и обрабатываются круглосуточно
Бесплатно доставляем заказы «до двери» оптовым клиентам 5‑6 раз в неделю нашей собственной курьерской службой
Для тех, кто забирает заказы самостоятельно мы стараемся удобно располагать наши пункты самовывоза
Оплатить все товары можно
Или выбрать другой удобный для вас способ