To content
Помощь по сайту
Новости
zapros.kg@autopiter.com
Контакты
Все категории
Каталоги запчастей
Бишкек
Вход
Корзина
Все категории
Каталоги запчастей
Фильтры Hebel Kraft
Оригинальные каталоги по VIN
Неоригинальные запчасти
Запчасти ВАЗ, ГАЗ, КАМАЗ
Запчасти для ТО
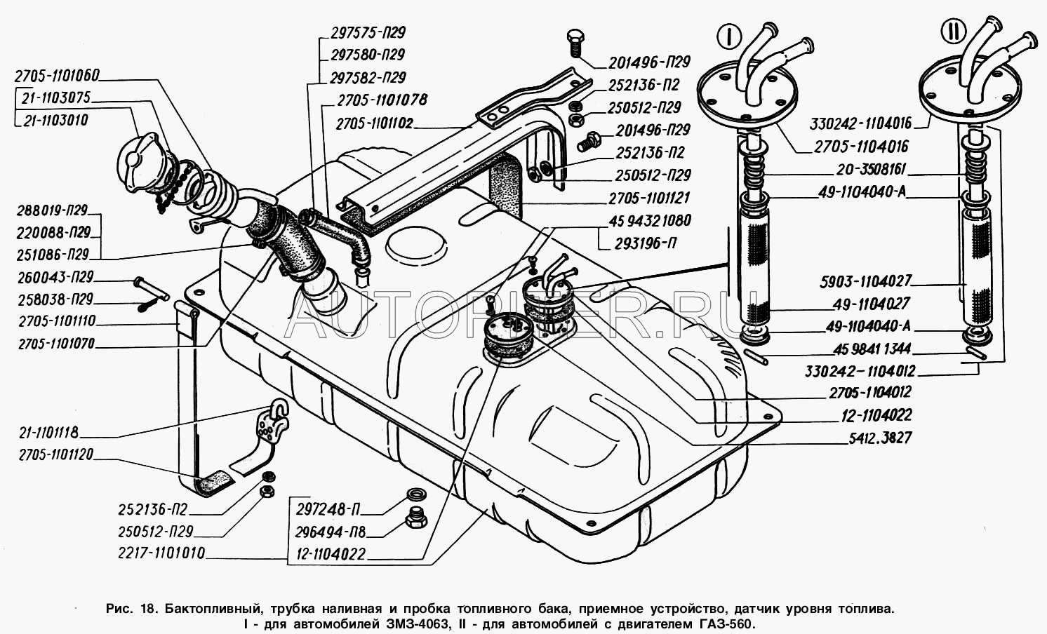
491104027
6 предложений
Производители:
Prc
Raider
Автокомпонент
Газ
Китай
Россия
Газ
491104027
Фильтр топливозаборника ГАЗель (ГАЗ)
Россия
491104027
Фильтр топливозаборника 49-1104027 ГАЗель АПА
Китай
491104027
Автокомпонент
491104027
Raider
491104027
Prc
491104027
Рекомендуем
Заказы на сайте принимаются и обрабатываются круглосуточно
Бесплатно доставляем заказы «до двери» оптовым клиентам 5‑6 раз в неделю нашей собственной курьерской службой
Для тех, кто забирает заказы самостоятельно мы стараемся удобно располагать наши пункты самовывоза
Оплатить все товары можно
Или выбрать другой удобный для вас способ