To content
Помощь по сайту
Новости
zapros.kg@autopiter.com
Контакты
Страна: Кыргызстан
Выберите язык
Ru — Русский
En — English
De — Deutsch
Pl — Polski
Все категории
Каталоги запчастей
Бишкек
Вход
Корзина
Все категории
Каталоги запчастей
Фильтры Hebel Kraft
Оригинальные каталоги по VIN
Неоригинальные запчасти
Запчасти ВАЗ, ГАЗ, КАМАЗ
Запчасти для ТО
Для спецтехники
631801040
16 предложений
Производители:
G-Part
Prc
Raider
Sorl
АЗГ
Автокомпонент
Автомагнат
Газ
Запчасть
Зил
Змз
Китай
Резинотехника
Россия
Уаз
Этна
Prc
631801040
Газ
631801040
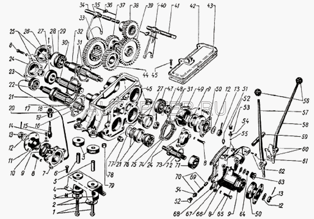
Э/00016223/GAZ/Втулка распорная подушек подвески раздаточной коробки Г-ль, Г-66, 33081
Уаз
631801040
Зил
631801040
Россия
631801040
Э/00016223/GAZ/Втулка распорная подушек подвески раздаточной коробки Г-ль, Г-66, 33081
Змз
631801040
Китай
631801040
Э/00016223/GAZ/Втулка распорная подушек подвески раздаточной коробки Г-ль, Г-66, 33081
Резинотехника
631801040
В/40423 /ПАО "ГАЗ"/В/40423 /ПАО "ГАЗ"/Вт
Автокомпонент
631801040
Этна
631801040
Sorl
631801040
Автомагнат
631801040
G-Part
631801040
Raider
631801040
АЗГ
631801040
Запчасть
631801040
Рекомендуем
Заказы на сайте принимаются и обрабатываются круглосуточно
Бесплатно доставляем заказы «до двери» оптовым клиентам 5‑6 раз в неделю нашей собственной курьерской службой
Для тех, кто забирает заказы самостоятельно мы стараемся удобно располагать наши пункты самовывоза
Оплатить все товары можно
Или выбрать другой удобный для вас способ