To content
Помощь по сайту
Новости
zapros.kg@autopiter.com
Контакты
Все категории
Каталоги запчастей
Бишкек
Вход
Корзина
Все категории
Каталоги запчастей
Фильтры Hebel Kraft
Оригинальные каталоги по VIN
Неоригинальные запчасти
Запчасти ВАЗ, ГАЗ, КАМАЗ
Запчасти для ТО
Для спецтехники
96130992
3 предложения
Производители:
Daewoo
General Motors
Opel
General Motors
96130992
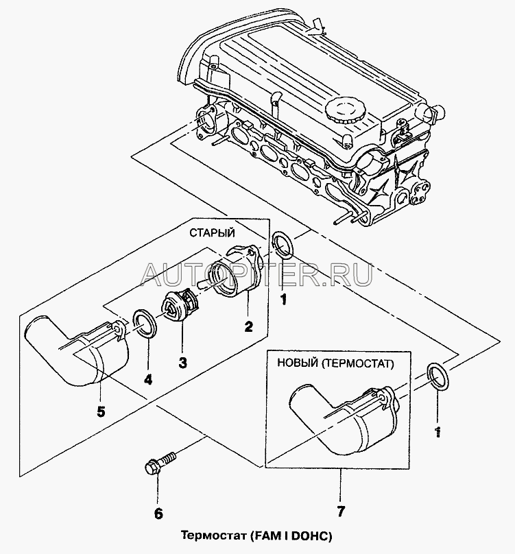
Фланец системы охлаждения
Opel
96130992
Корпус термостата Chevrolet Lanos 2004-2010 Daewoo Nubira 1999-2003
Daewoo
96130992
Крышка термостата General Motors 96130992 Nexia/Nubira 1,5L Dohc
Рекомендуем
Заказы на сайте принимаются и обрабатываются круглосуточно
Бесплатно доставляем заказы «до двери» оптовым клиентам 5‑6 раз в неделю нашей собственной курьерской службой
Для тех, кто забирает заказы самостоятельно мы стараемся удобно располагать наши пункты самовывоза
Оплатить все товары можно
Или выбрать другой удобный для вас способ