ТОМЬ ПК-5,1Бtom-pk-51b
Поиск деталей
Например: Рама с передней балкой
Посевной агрегатБункер-пневмосистема

Система электрооборудования ПК-5,1Б и ПК-6,3Б «Томь» с дизельным двигателем Lombardini

Крепление бункера к раме, первичный коллектор-распределитель

Вторичный коллектор-распределитель

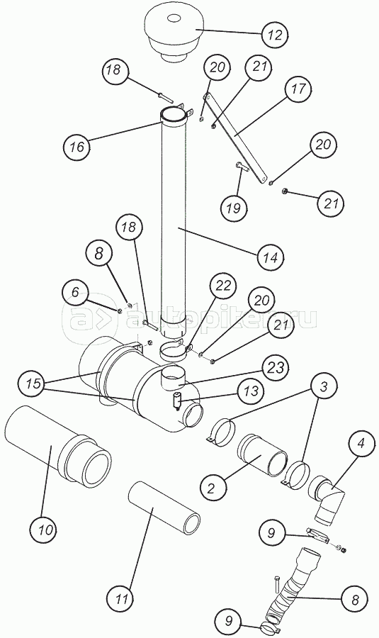
Воздухоочиститель

Дизельный привод вентилятора

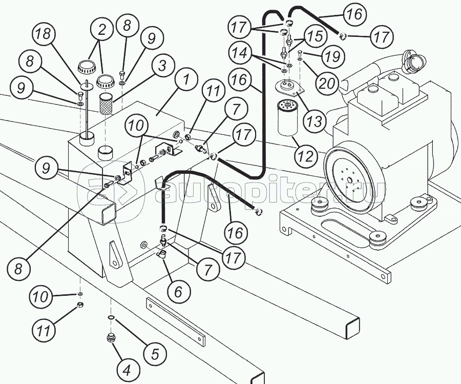
Дизельный двигатель, установочные узлы и детали

Аккумуляторная батарея

Вентилятор 6"

Вентилятор 6" с гидроприводом

Привод высевающего механизма бункера V=4,2м3

Привод высевающего механизма бункера V=4,2м3, (Продолжение)

Поручни, лестница, площадка

Топливный бак до 10.2013г.

Топливный бак после 10.2013 г.

Высевающий узел

Крышка бункера

Шнек

Манипулятор шнека

Дозирующие валики