ПРФ-180, ПРФ-750prf-180-prf-750
Поиск деталей
Например: Узлы и сборочные единицы

Узлы и сборочные единицы

Камера передняя ПР-02.00.000, камера задняя ПР-03.00.000

Вал привода ПР-02.080Б

Валец верхний ПР-02.030А

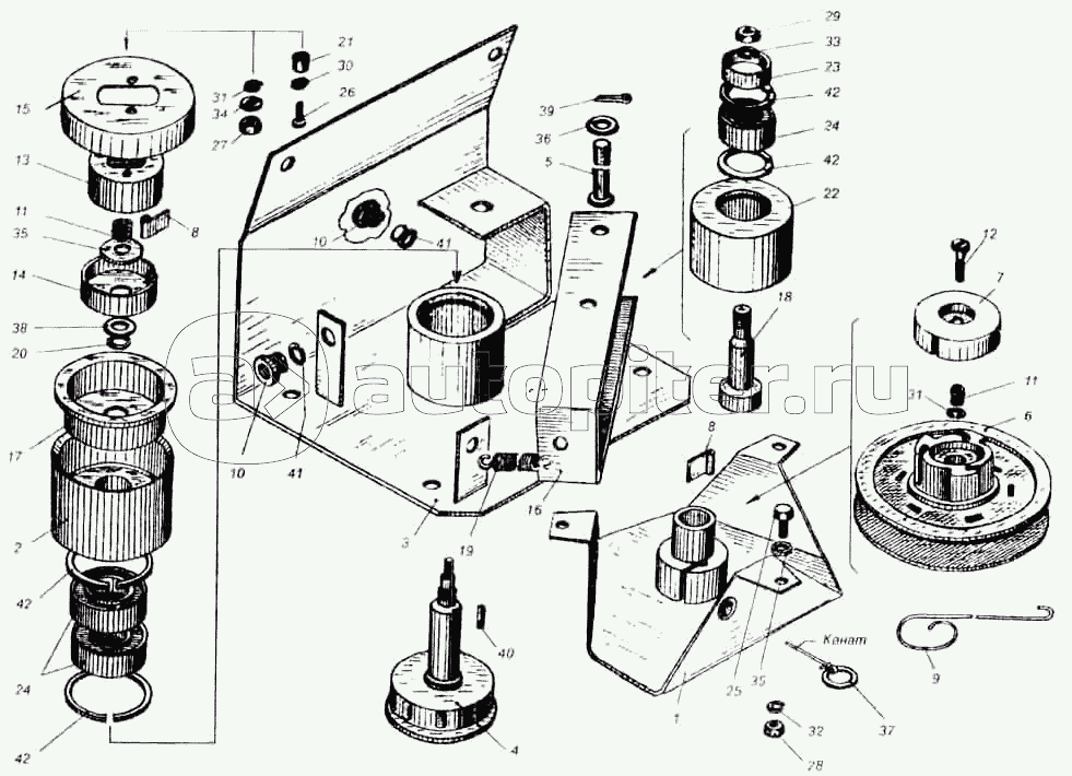
Вал ведомый ПР-03.020А, ПР-03.00.020А

Натяжное устройство вала ведомого ПР-03.020А

Натяжное устройство вала ведомого ПР-03.020А

Лобовина ПР-1,8.01.00.000 (ПР-01.000)

Вал привода ПР-01.070А

Вал с полумуфтой ПР-01.110А

Вал ПР-01.01.000

Муфта предохранительная (подборщик) ПР-07.00.230, муфта предохранительная (лобовина) ПР-05.00.020

Аппарат обматывающий ПР-13.000

Привод ПР-13.030

Подборщик ПР-07.000

Основание камеры ПР-15.00.000

Валец передний ПР-05.140А, валец задний ПР-05.050А