595LSP, 595SLE595lsp-595sle
Поиск деталей
EngineEngine 2Fuel SystemFuel SystemSteeringPower TrainBrakesHydraulicsHydraulics 2Chassis/AttachmentsChassis/Attachments 2

TELESCOPIC DIPPER EXTENSION CYLINDER CIRCUIT, 595SLE DBK0009001- 595LSP DB

TELESCOPIC DIPPER EXTENSION CYLINDER CIRCUIT, 595SLE DBK0009001- 595LSP D

CONTROL VALVE, TELESCOPIC DIPPER, 595SLE DBK0009001- 595LSP DBK0010001-

BACKHOE ATTACHMENT FASTENERS, 595SLE DBK0009001- 595LSP DBK0010001-

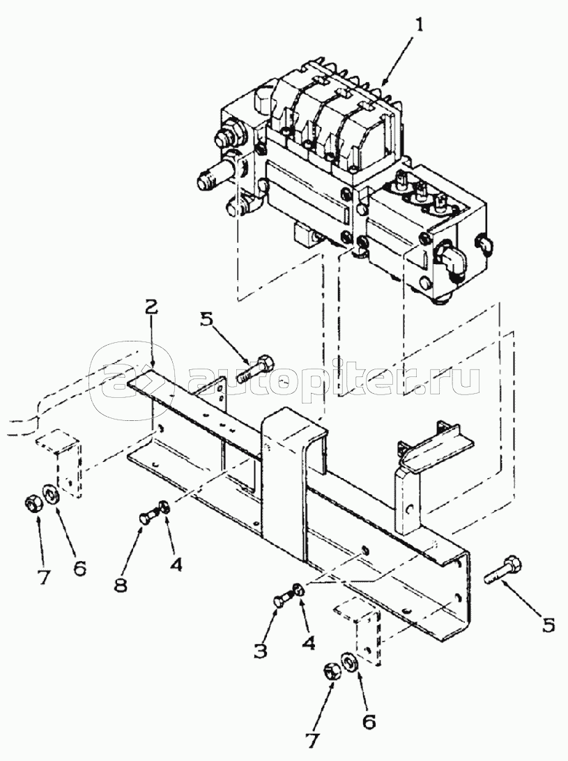
BACKHOE CONTROL VALVE, SUPPORT, 595LSP DBK0010001-, ELECTRONIC

LOADER CONTROL VALVE, SUPPORT, 595SLE DBK0009001- 595LSP DBK0010001-

HYDRAULIC CIRCUIT, AUXILIARY HYDRAULIC, 595SLE DBK0009001- 595LSP DBK00100

HYDRAULIC CIRCUIT, AUXILIARY HYDRAULIC, 595SLE DBK0009001- 595LSP DBK00100

HYDRAULIC CIRCUIT, HYDRAULIC ROCKBREAKER (CB620), 595SLE DBK0009001- 595L

AUXILIARY HYDRAULIC, PICK HAMMER, 595SLE DBK0009001- 595LSP DBK0010001-

HYDRAULIC PUMP, 595SLE DBK0009001- 595LSP DBK0010001-

REGULATOR, PUMP, 595SLE DBK0009001- 595LSP DBK0010001-

BACKHOE CONTROL VALVE, ELECTRONIC, 595LSP DBK0010001-, 6 SECTIONS

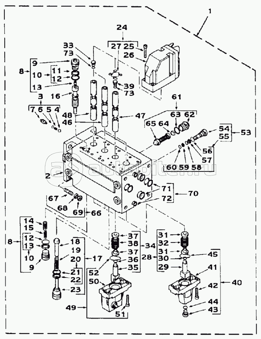
BACKHOE CONTROL VALVE, ELECTRONIC, 595LSP DBK0010001-, 7 SECTIONS

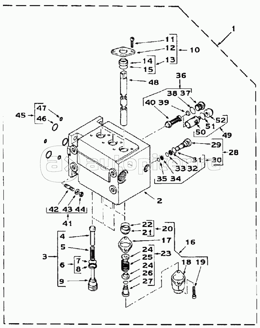
INLET MANIFOLD, ELECTRONIC CONTROL VALVE, 595LSP DBK0010001-

BACKHOE CONTROL VALVE, ELECTRONIC, 595LSP DBK0010001-, 4 SECTIONS

BACKHOE CONTROL VALVE, 595SLE DBK0009001 - 595LSP DBK0010001-, 3 SECTIONS

BACKHOE CONTROL VALVE, 595SLE DBK0009001 - 595LSP DBK0010001-, 2 SECTIONS

LOADER CONTROL VALVE, 595SLE DBK0009001- 595LSP DBK0010001-, 4 SECTIONS

OIL FILTER, 595SLE DBK0009001- 595LSP DBK0010001-

LOADER ARM CYLINDER, 595SLE DBK0009001- 595LSP DBK0010001-

STANDARD LOADER BUCKET CYLINDER, 595SLE DBK0009001- 595LSP DBK0010001-

LOADER BUCKET, 7 IN 1 CYLINDER, 595SLE DBK0009001- 595LSP DBK0010001-

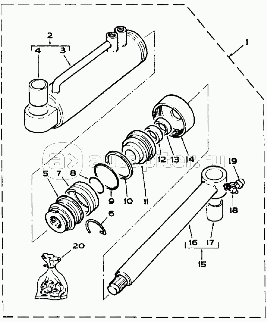
STABILIZER CYLINDER, 595SLE DBK0009001- 595LSP DBK0010001-, AXIAL VERSION

STABILIZER CYLINDER, 595SLE DBK0009001- 595LSP DBK0010001-, SIDESHIFT VER

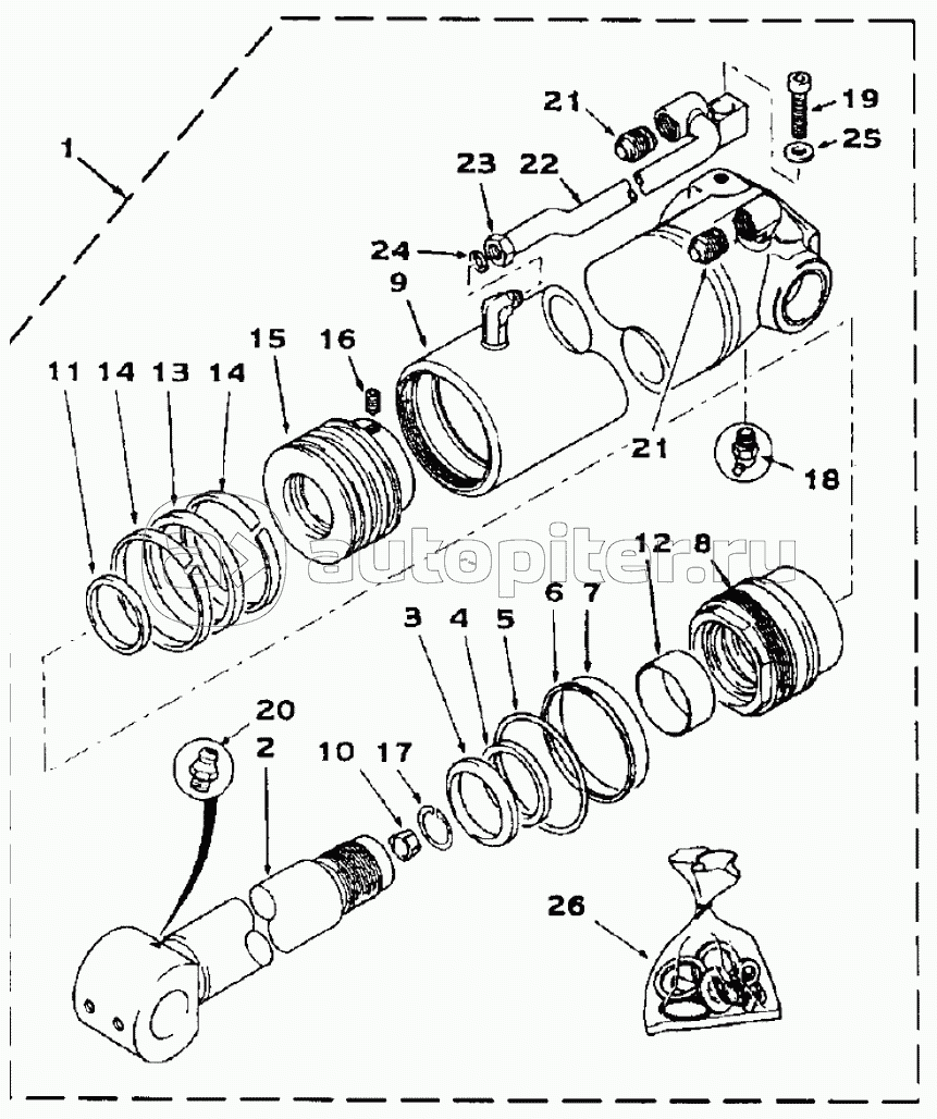
BACKHOE ATTACHMENT RIGHT SWING CYLINDER, 595SLE DBK0009001- 595LSP

BACKHOE ATTACHMENT SWING CYLINDER, 595SLE DBK0009001- 595LSP DBK0010001-

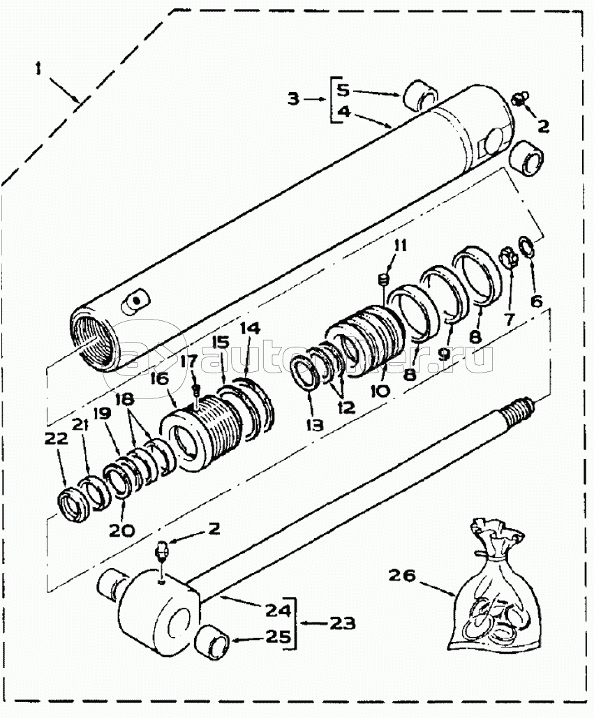
BACKHOE BOOM CYLINDER, 595SLE DBK0009001- 595LSP DBK0010001-, AXIAL VERSI

BACKHOE BOOM CYLINDER, 595SLE DBK0009001- 595LSP DBK0010001-, SIDESHIFT V

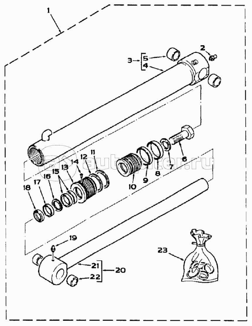
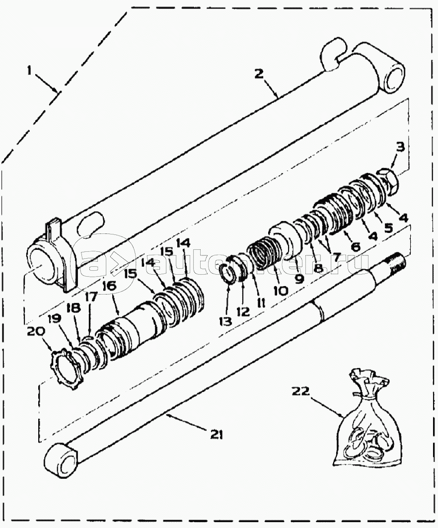
DIPPER CYLINDER, 595SLE DBK0009001- 595LSP DBK0010001-

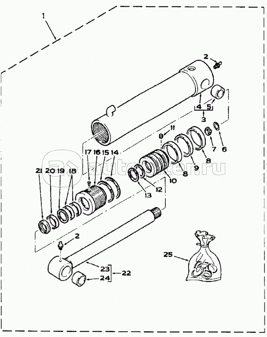
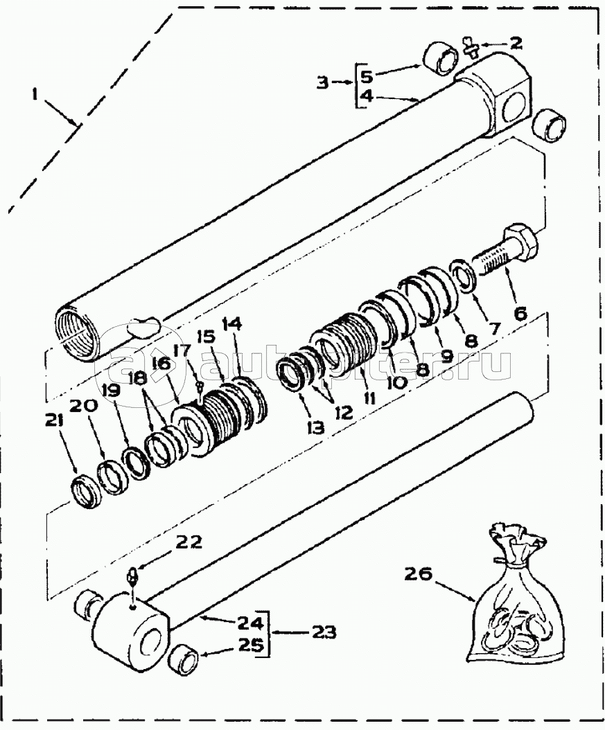
TELESCOPIC DIPPER EXTENSION CYLINDER, 595SLE DBK0009001- 595LSP DBK001000

BACKHOE BUCKET CYLINDER, 595SLE DBK0009001- 595LSP DBK0010001-