To content
Помощь по сайту
Новости
zapros.kg@autopiter.com
Контакты
Все категории
Каталоги запчастей
Бишкек
Вход
Корзина
Все категории
Каталоги запчастей
Фильтры Hebel Kraft
Оригинальные каталоги по VIN
Неоригинальные запчасти
Запчасти ВАЗ, ГАЗ, КАМАЗ
Запчасти для ТО
Для спецтехники
Запчасти на ВАЗ, ГАЗ, Камаз и т.д.
Daewoo
Damas
Damas
damas
Поиск деталей
Например:
Крыша
Кузов
Пол кузова
Окно ветровое и заднее
Передок кузова
Боковина кузова
Крыша кузова
Дверь передняя
Дверь задняя
Дверь задка
Сиденья
Вентиляция и отопление
Принадлежности
Капот, крылья, облицовка радиатора
Двигатель
Двигатель
Система питания
Система выпуска отработанных газов
Система охлаждения
Трансмиссия
Сцепление
Коробка передач
Передача карданная
Мост задний
Ходовая часть
Рама, бамперы и брызговики двигателя
Подвеска
Ось передняя
Колеса
Механизмы управления
Управление рулевое
Тормоза
Электрооборудование
Электрооборудование
Приборы и датчики
Радиооборудование
Принадлежности
Инструмент и принадлежности
Приложение
Внешний вид
4-х скоростная механическая КПП
5-ти скоростная механическая КПП
Части привода управления КПП (5МТ)
Механизм привода переключения скоростей
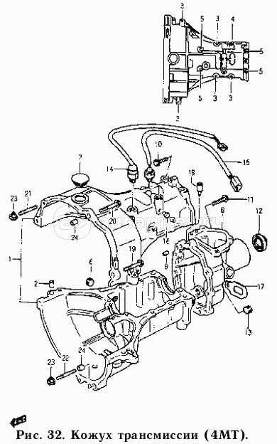
Кожух трансмиссии (4МТ)
Кожух трансмиссии (5МТ)
Заказы на сайте принимаются и обрабатываются круглосуточно
Бесплатно доставляем заказы «до двери» оптовым клиентам 5‑6 раз в неделю нашей собственной курьерской службой
Для тех, кто забирает заказы самостоятельно мы стараемся удобно располагать наши пункты самовывоза
Оплатить все товары можно
Или выбрать другой удобный для вас способ