To content
Помощь по сайту
Новости
zapros.kg@autopiter.com
Контакты
Все категории
Каталоги запчастей
Бишкек
Вход
Корзина
Все категории
Каталоги запчастей
Фильтры Hebel Kraft
Оригинальные каталоги по VIN
Неоригинальные запчасти
Запчасти ВАЗ, ГАЗ, КАМАЗ
Запчасти для ТО
Для спецтехники
Запчасти на ВАЗ, ГАЗ, Камаз и т.д.
Daewoo
Lanos
Lanos
lanos
Поиск деталей
Например:
Двигатель в сборе (FAM I SOHC)
Кузов
Кузов
Пол кузова
Окно ветровое и заднее
Передок кузова
Боковина кузова
Задок кузова
Крыша кузова
Дверь передняя
Дверь задняя
Дверь задка
Сиденья
Вентиляция и отопление
Принадлежности
Капот, крылья, облицовка радиатора
Двигатель FAM I
Двигатель
Система питания
Система выпуска отработанных газов
Система охлаждения
Двигатель МеМЗ-301, МеМЗ-307
Двигатель
Система питания
Система выпуска отработанных газов
Система охлаждения
Трансмиссия для двигателя FAM I
Сцепление
Коробка передач
Передача карданная
Трансмиссия для двигателей МеМЗ-301, МеМЗ-307
Сцепление
Коробка передач
Передача карданная
Ходовая часть
Рама, бамперы и брызговики двигателя
Подвеска
Колеса
Механизмы управления
Управление рулевое
Тормоза
Электрооборудование
Электрооборудование с двигателем FAM I
Электрооборудование с двигателями МеМЗ-301, МеМЗ-307
Электрооборудование общее
Приборы и датчики
Радиооборудование
Принадлежности
Инструмент и принадлежности
Впускной и выпускной коллекторы, трубы, резонатор и глушитель
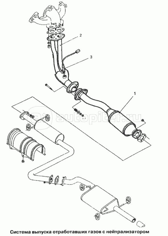
Система выпуска отработавших газов с нейтрализатором
Заказы на сайте принимаются и обрабатываются круглосуточно
Бесплатно доставляем заказы «до двери» оптовым клиентам 5‑6 раз в неделю нашей собственной курьерской службой
Для тех, кто забирает заказы самостоятельно мы стараемся удобно располагать наши пункты самовывоза
Оплатить все товары можно
Или выбрать другой удобный для вас способ