504G3504g3
Поиск деталей
Air FilterRadiatorThroffle Control MechanismClutchMufflerShuttle gearFrameDrive AxlesWheelDrawbarTransmissionBrakeHood and PanelElectrical SystemToolboxFuel TankFoot Mud Shields RestHydraulicFront Balance Weight

Transmission shaft

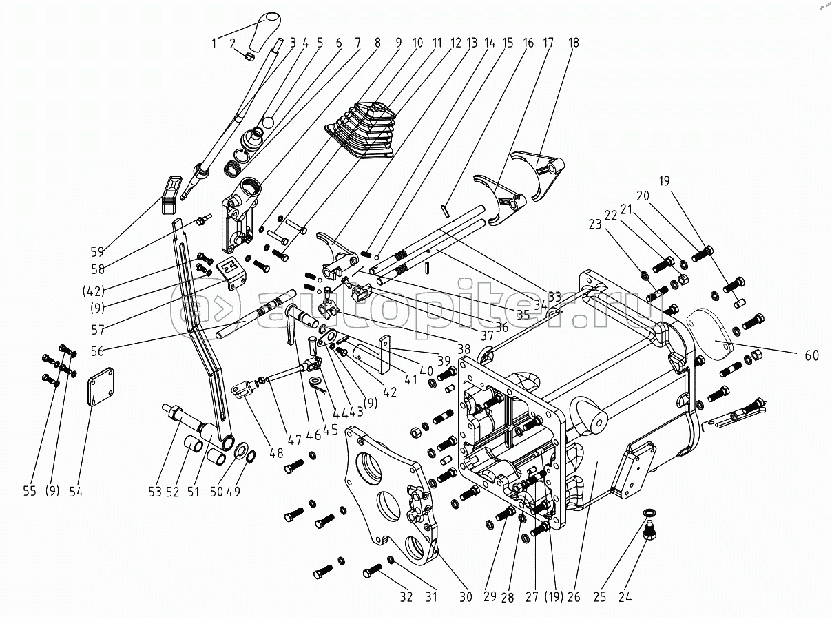
Gearbox (A) 504G3.37.001

Gearbox (B) 504G3.37.001

Gearbox (A) 500G3-2.37.001

Gearbox (B) 500G3-2.37.001

Rear Axle (A) 504G3.38.001-1

Rear Axle (B) 504G3.38.001-1

Differential Lock 504G3.38.001-1

Final Transmission 504G3.39.001

Full Hydraulic Power Steering Gear (A) 504G3.40.001

Full Hydraulic Power Steering Gear (B) 504G3.40.001

PTO 504G3.41.001

Hydraulic clutch 504G3.41.013

PTO 504G3.41A.001

Middle PTO (Optional) 504G3.63.001