UFO TZARufo-tzar-3064
Поиск деталей
Например: MAIN FRAME
Gaspardo UFO TZAR

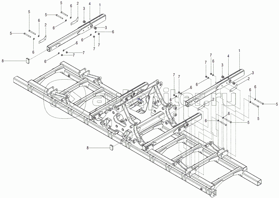
MAIN FRAME

ROLLER CONNECTIONS

RUDDER

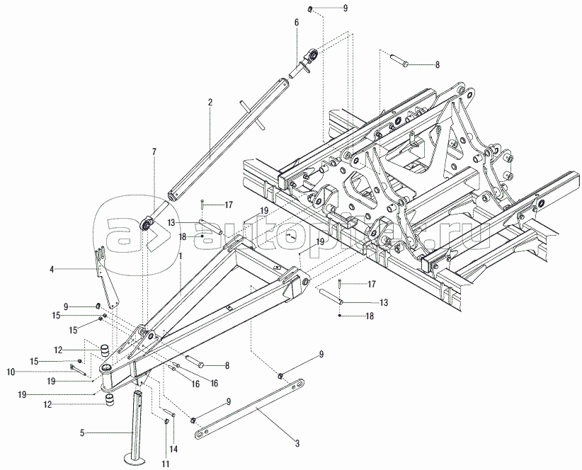
TOWING TROLLEY

FREE AXLE

SIDE FRAMES HYDRAULIC PLANT

TOWING TROLLEY HYDRAULIC PLANT

LIGHTING KIT

CAT.3 ISO/ASAE + K700 CONNECTION

TANDEM ROLLER CONNECTION

LIMITER DISC

CULTIHUB

FRONT OPERATOR ELEMENTS

REAR OPERATOR ELEMENTS

ADJUSTABLE OPERATOR ELEMENTS

TANDEM ROLLER D400