ГАЗ-3221gaz-3221
Поиск деталей

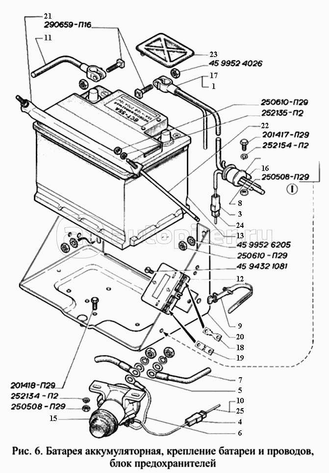
Батарея аккумуляторная, крепление батареи и проводов, блок предохранителей

Органы управления на панели приборов, комбинация приборов (для автобусов выпуска с 2003г.)

Установка электропроводов в моторном отсеке и кабине (для автобусов с двигателем ЗМЗ-406)

Установка электропроводов в моторном отсеке и кабине (для автобусов с двигателями ЗМЗ-402 и УМЗ-4215)

Электропровода (пассажирский салон) автобусов ГАЗ-3221 и ГАЗ-32213