ГАЗ-3302 (ГАЗель)gaz-3302-gazel
Поиск деталей

Генератор двигателей ЗМЗ 4061.10, ЗМЗ 4063.10, ЗМЗ 40637.10

Генератор двигателей ЗМЗ 4025.10, ЗМЗ 4026.10

Батарея аккумуляторная

Катушка зажигания, датчик-распределитель, свечи и провода зажигания двигателей ЗМЗ 4025.10, ЗМЗ 4026.10

Стартер двигателей ЗМЗ 4061.10, ЗМЗ 4063.10, ЗМЗ 40637.10

Стартер двигателей ЗМЗ 4025.10, ЗМЗ 4026.10

Фары, указатели поворота, повторители боковые указателя поворота, лампа переносная, блок плафонов освещения кабины, фонарь освещения под капотом

Фонари задние

Электропровода

Приборы электрооборудования автомобиля ГАЗ-3302

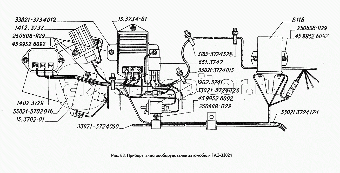
Приборы электрооборудования автомобиля ГАЗ-33021