ГАЗ-560gaz-560-396
Поиск деталей

Блок цилиндров и картер двигателя, корпус распределительного вала, крышка маслоналивного отверстия, штифтовые запальные свечи

Вал коленчатый, поршни и шатуны двигателя, кольцо опорное заднее

Вал распределительный, ось коромысел, насос-форсунки и клапаны двигателя, сервомагнит с датчиком положения рейки и датчик числа оборотов системы управления двигателем

Маслоприемник и насос масляный двигателя, кольцо опорное переднее

Подвеска двигателя

Ременный привод распределительного вала, крышки зубчатого ремня и опора вентилятора двигателя

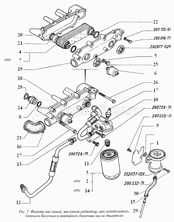
Фильтр масляный, масляный радиатор, маслоотделитель, датчики давления и аварийного давления масла двигателя

Указатель уровня масла, перепускной клапан топливной магистрали, трубки топливные моноблока, краник сливной охлаждающей жидкости на моноблоке двигателя