To content
Помощь по сайту
Новости
zapros.kg@autopiter.com
Контакты
Страна: Кыргызстан
Выберите язык
Ru — Русский
En — English
De — Deutsch
Pl — Polski
Все категории
Каталоги запчастей
Бишкек
Вход
Корзина
Все категории
Каталоги запчастей
Фильтры Hebel Kraft
Оригинальные каталоги по VIN
Неоригинальные запчасти
Запчасти ВАЗ, ГАЗ, КАМАЗ
Запчасти для ТО
Для спецтехники
Запчасти на ВАЗ, ГАЗ, Камаз и т.д.
ГАЗ
ГАЗ-71
ГАЗ-71
gaz-71-184
Поиск деталей
Например:
Стеклоочиститель
Кузов
Окно ветровое и заднее
Дверь передняя
Сиденья
Вентиляция и отопление
Корпус
Двигатель
Двигатель
Система питания
Система выпуска отработанных газов
Система охлаждения
Трансмиссия
Сцепление
Коробка передач
Коробка раздаточная
Передача карданная
Механизм поворота и бортовая передача
Ходовая часть
Приборы буксирные
Подвеска
Движитель
Электрооборудование
Электрооборудование
Приборы и датчики
Дополнительное оборудование
Специальное оборудование
Принадлежности
Инструмент и принадлежности
Приложение
Внешний вид ГАЗ-71
Опорные катки
Ленивец (направляющее колесо)
Гусеница движителя
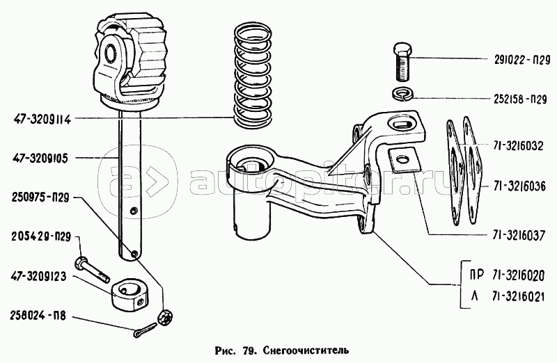
Снегоочиститель
Заказы на сайте принимаются и обрабатываются круглосуточно
Бесплатно доставляем заказы «до двери» оптовым клиентам 5‑6 раз в неделю нашей собственной курьерской службой
Для тех, кто забирает заказы самостоятельно мы стараемся удобно располагать наши пункты самовывоза
Оплатить все товары можно
Или выбрать другой удобный для вас способ