To content
Помощь по сайту
Новости
zapros.kg@autopiter.com
Контакты
Страна: Кыргызстан
Выберите язык
Ru — Русский
En — English
De — Deutsch
Pl — Polski
Все категории
Каталоги запчастей
Бишкек
Вход
Корзина
Все категории
Каталоги запчастей
Фильтры Hebel Kraft
Оригинальные каталоги по VIN
Неоригинальные запчасти
Запчасти ВАЗ, ГАЗ, КАМАЗ
Запчасти для ТО
Для спецтехники
Запчасти на ВАЗ, ГАЗ, Камаз и т.д.
ХТЗ
МТ-ЛБ
МТ-ЛБ
mt-lb
Поиск деталей
Например:
Легкий многоцелевой гусеничный транспортер-тягач МТ-ЛБ
Легкий многоцелевой гусеничный транспортер-тягач МТ-ЛБ
Общий вид изделия
Кузов
Сиденья и оборудование платформы
Корпус
Башенная установка
Смотровые приборы
Двигатель
Двигатель
Система питания
Система охлаждения
Система выпуска отработавших газов
Система вентиляции и отопления
Трансмиссия
Редуктор промежуточный
Карданная передача трансмиссии
Бортовая передача
Механизмы управления
Управление двигателем
Управление главной передачей
Управление механизмами поворота, сцеплением и тормозами
Тормоза
Ходовая часть
Колеса
Подвеска
Тягово-сцепное устройство
Пневмосистема
Пневмосистема
Принадлежности
Электрооборудование
Электрооборудование
Приборы и датчики
Специальное оборудование
Установка спецоборудования
Фильтровентиляционная установка
Инструменты и принадлежности
Укладка
Групповой комплект
Прочее
Приложение
Подшипники
Нормали
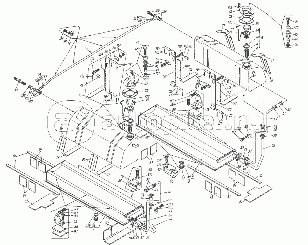
Система топливная 6.03.001
Система топливная 6.03.001
Насос 10.03.058-01
Кран топливный 6.03.026-1
Заказы на сайте принимаются и обрабатываются круглосуточно
Бесплатно доставляем заказы «до двери» оптовым клиентам 5‑6 раз в неделю нашей собственной курьерской службой
Для тех, кто забирает заказы самостоятельно мы стараемся удобно располагать наши пункты самовывоза
Оплатить все товары можно
Или выбрать другой удобный для вас способ