To content
Помощь по сайту
Новости
zapros.kg@autopiter.com
Контакты
Страна: Кыргызстан
Выберите язык
Ru — Русский
En — English
De — Deutsch
Pl — Polski
Все категории
Каталоги запчастей
Бишкек
Вход
Корзина
Все категории
Каталоги запчастей
Фильтры Hebel Kraft
Оригинальные каталоги по VIN
Неоригинальные запчасти
Запчасти ВАЗ, ГАЗ, КАМАЗ
Запчасти для ТО
Для спецтехники
Запчасти на ВАЗ, ГАЗ, Камаз и т.д.
ХТЗ
Т-150К (2004)
Т-150К (2004)
t-150k-2004
Поиск деталей
Например:
Кабина
Кузов
Кабина
Сидения
Оборудование специализированное
Принадлежности
Вентиляция и отопление
Капот, крылья, облицовка радиатора (оперение)
Двигатель
Двигатель
Система питания
Система выпуска отработанных газов
Система охлаждения
Трансмиссия
Сцепление
Коробка передач
Карданная передача
Гидросистема трансмиссии
Мосты задний и передний
Ходовая часть
Рама, бамперы и брызговики двигателя
Подвеска
Колеса
Механизмы управления
Рулевое управление
Тормоза
Электрооборудование
Электрооборудование
Дополнительное оборудование
Оборудование трактора
Устройство прицепное
Устройство навесное
Устройство тягово-сцепное
Бульдозерное оборудование
Вал отбора мощности
Пневмосистема
Приложение
Трактор ХТЗ
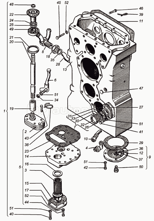
Коробка передач
Коробка передач
Коробка передач
Коробка передач
Коробка передач
Коробка передач
Коробка передач
Коробка передач
Коробка передач
Коробка передач
Коробка передач
Коробка передач
Коробка передач
Коробка передач
Коробка передач
Коробка передач
Заказы на сайте принимаются и обрабатываются круглосуточно
Бесплатно доставляем заказы «до двери» оптовым клиентам 5‑6 раз в неделю нашей собственной курьерской службой
Для тех, кто забирает заказы самостоятельно мы стараемся удобно располагать наши пункты самовывоза
Оплатить все товары можно
Или выбрать другой удобный для вас способ