To content
Помощь по сайту
Новости
zapros.kg@autopiter.com
Контакты
Все категории
Каталоги запчастей
Бишкек
Вход
Корзина
Все категории
Каталоги запчастей
Фильтры Hebel Kraft
Оригинальные каталоги по VIN
Неоригинальные запчасти
Запчасти ВАЗ, ГАЗ, КАМАЗ
Запчасти для ТО
Для спецтехники
Запчасти на ВАЗ, ГАЗ, Камаз и т.д.
ХТЗ
Т-151К
Т-151К
t-151k
Поиск деталей
Например:
Установка двигателя
Двигатель
Установка двигателя
Система смазки
Система выпуска
Установка воздухоочистителя
Система охлаждения
Управление подачей топлива и коробкой передач
Трансмиссия
Муфта главного сцепления
Ходовая часть
Рама
Подвеска
Мосты
Устройство прицепное
Устройство тягово-сцепное
Передача карданная
Коробка передач
Коробка раздаточная
Механизмы управления
Управление агрегатами трактора
Управление рулевое
Отбор мощности
Вал отбора мощности
Кабина
Кабина
Электрооборудование и приборы
Арматура отопительная
Оборудование кабины
Гидросистема
Гидросистема трансмиссии
Дополнительное оборудование
Устройство навесное
Гидросистема навесного устройства
Устройство тягово–сцепное
Пневмосистема
Рабочее оборудование
Бульдозерное оборудование
Приложение
Фото
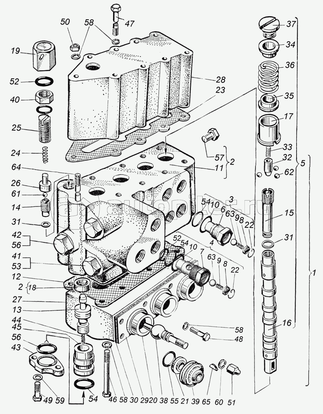
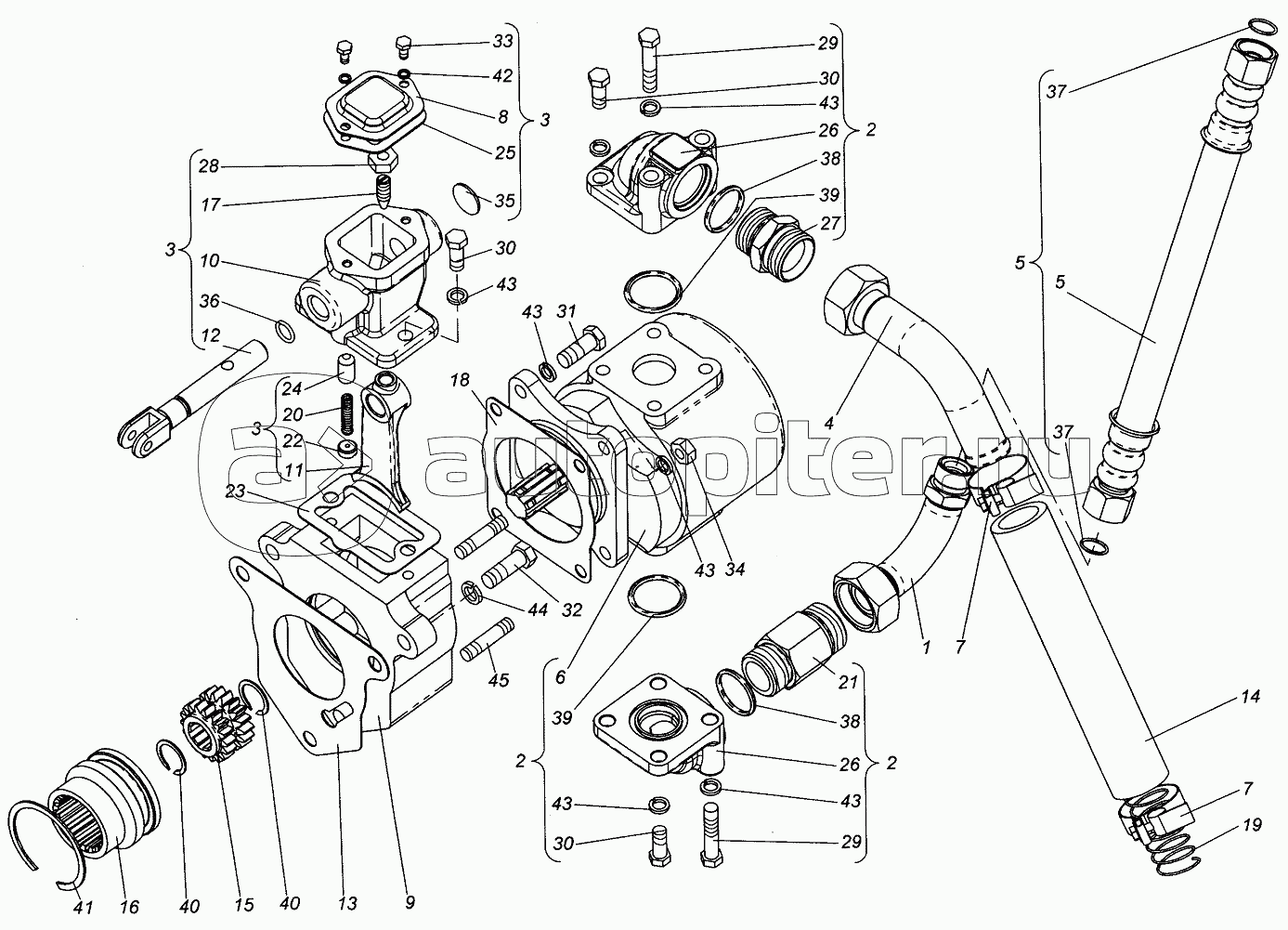
Гидросистема навесного устройства
Гидросистема навесного устройства
Гидросистема навесного устройства
Гидросистема навесного устройства
Гидросистема навесного устройства
Заказы на сайте принимаются и обрабатываются круглосуточно
Бесплатно доставляем заказы «до двери» оптовым клиентам 5‑6 раз в неделю нашей собственной курьерской службой
Для тех, кто забирает заказы самостоятельно мы стараемся удобно располагать наши пункты самовывоза
Оплатить все товары можно
Или выбрать другой удобный для вас способ