To content
Помощь по сайту
Новости
zapros.kg@autopiter.com
Контакты
Все категории
Каталоги запчастей
Бишкек
Вход
Корзина
Все категории
Каталоги запчастей
Фильтры Hebel Kraft
Оригинальные каталоги по VIN
Неоригинальные запчасти
Запчасти ВАЗ, ГАЗ, КАМАЗ
Запчасти для ТО
Запчасти на ВАЗ, ГАЗ, Камаз и т.д.
Hyundai
R16-9
R16-9
r16-9
Поиск деталей
Например:
ENGINE MOUNTING
ENGINE SYSTEM
ELECTRIC SYSTEM
HYDRAULIC SYSTEM
HYDRAULIC COMPONENT
UNDERCARRIAGE
STRUCTURE
ATTACHMENT
OTHER
ENGINE BASE
BOOM MOUNTING
BOOM (1.80M, STD)
ARM (0.96M, STD)
ARM (1.12M, LONG)
BUCKET (0.04M3 SAE HEAPED)
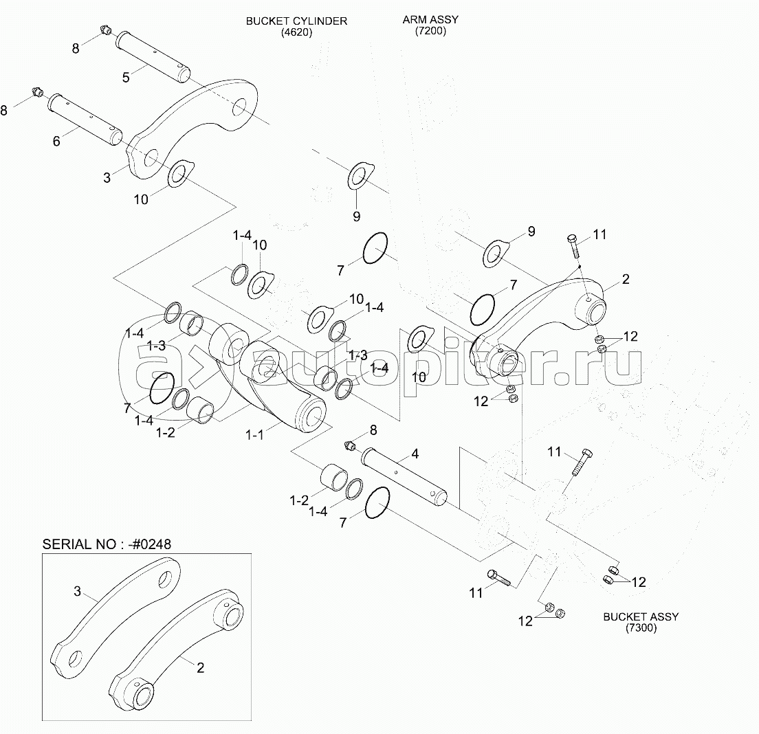
BUCKET CONTROL GROUP
Заказы на сайте принимаются и обрабатываются круглосуточно
Бесплатно доставляем заказы «до двери» оптовым клиентам 5‑6 раз в неделю нашей собственной курьерской службой
Для тех, кто забирает заказы самостоятельно мы стараемся удобно располагать наши пункты самовывоза
Оплатить все товары можно
Или выбрать другой удобный для вас способ