R170W-9r170w-9
Поиск деталей
Например: ENGINE MOUNTING
Система двигателяЭлектрооборудованиеГидравлическая системаКомпоненты гидравликиPOWER TRAINSTRUCTUREATTACHMENTOTHERSENGINE BASE

MAIN PUMP

REGULATOR

GEAR PUMP

MAIN CONTROL VALVE (1/4)

MAIN CONTROL VALVE (2/4)

MAIN CONTROL VALVE (3/4)

MAIN CONTROL VALVE (4/4)

SWING MOTOR

SWING REDUCTION GEAR

REMOTE CONTROL LEVER

DOZER CONTROL LEVER

ACCELERATOR PEDAL (STD)

ACCELERATOR PEDAL (2 WAY, OPTION)

TRAVEL MOTOR (1/2)

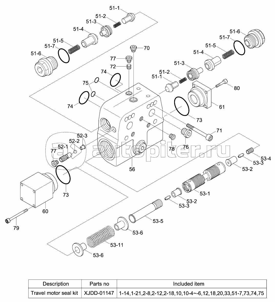
TRAVEL MOTOR (2/2)

COUNTER BALANCE VALVE

TURNING JOINT (-#0089)

TURNING JOINT (#0090-)

TURNING JOINT SUB ASSY (#0090-)

BOOM CYLINDER

BOOM CYLINDER (ADJUST BOOM)

ARM CYLINDER

BUCKET CYLINDER

DOZER BLADE CYLINDER

OUTRIGGER CYLINDER

ADJUST CYLINDER

SOLENOID VALVE (-#0089)

SOLENOID VALVE (#0090-)

STEERING VALVE

TRAVEL CONTROL VALVE

BRAKE SUPPLY VALVE

BRAKE VALVE

QUICK CLAMP (HOOK TYPE 1)

QUICK CLAMP (CLOSE TYPE 1)

QUICK CLAMP (HOOK TYPE 2)

QUICK CLAMP (CLOSE TYPE 2)

QUICK CLAMP CYLINDER

BREAKER ASSY (1/2)

BREAKER ASSY (2/2)