R330LC-9SHr330lc-9sh
Поиск деталей
Например: ENGINE MOUNTING
ENGINE SYSTEMELECTRIC SYSTEMHYDRAULIC SYSTEMHYDRAULIC COMPONENTUNDERCARRIAGESTRUCTUREATTACHMENTOTHERSENGINE BASE

CYLINDER BLOCK

CRANK SHAFT BEARING

OIL PAN

ENGINE ATTACHING PARTS

CYLINDER HEAD

VALVE GEAR TRAIN

ROCKER COVER

CRANK SHAFT & PULLEY

FLYWHEEL

PISTON & CONNECTING ROD

TIMING GEAR

WATER PUMP

FAN & PULLEY

WATER PIPE & THERMOSTAT

OIL PUMP & GEAR TRAIN

OIL STRAINER

OIL FILTER MOUNTING

OIL FILTER

OIL COOLER MOUNTING

OIL COOLER

OIL FILLER & GAUGE

BREATHER

OIL LINE (GENERATOR)

OIL LINE

TURBOCHARGER

INLET MANIFOLD

EXHAUST MANIFOLD

FLYWHEEL HOUSING

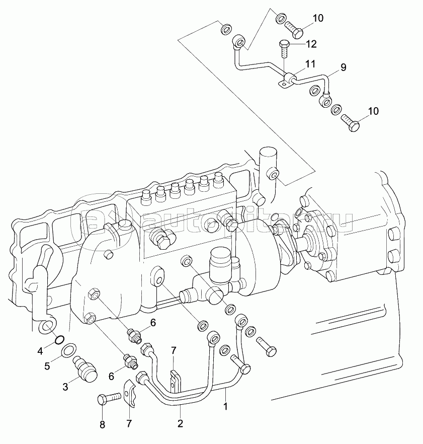
FUEL INJECTION PIPE

FUEL HOSE

FUEL RETURN SYSTEM

FUEL FILTER

FUEL INJECTION PUMP MOUNTING

FUEL INJECTION NOZZLE MOUNTING

NOZZLE ASSY

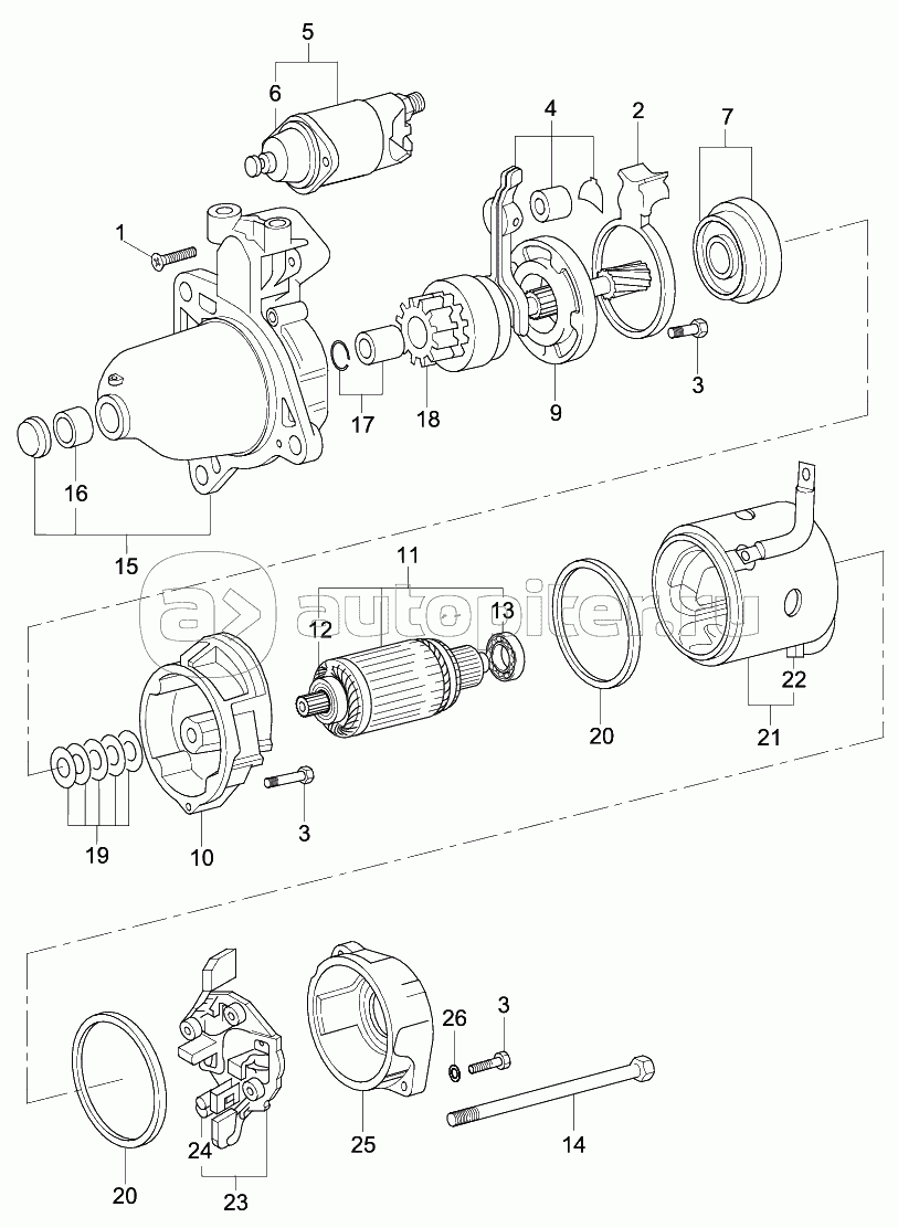
STARTER MOUNTING

STARTER

ALTERNATOR MOUNTING

INJECTION PUMP DRIVE MOUNTING

OIL PRESSURE SWITCH & SENDER