ИЖ 427izh-427
Поиск деталей

Бензиновый бак и пробка его наполнительной горловины

Система питания и бензопроводы

Бензиновый насос

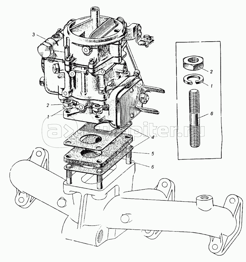
Карбюратор

Детали карбюратора

Привод управления дроссельной и воздушной заслонкой карбюратора для автомобиля с левым расположением рулевой колонки

Привод управления дроссельной и воздушной заслонкой карбюратора для автомобиля с правым расположением рулевой колонки

Воздушный фильтр