СПС-4,2Аsps-42a-902
Поиск деталей

Привод СПС19230

Битер СПС19240

Привод СПС19250

Привод СПС19260

Привод СПС19260-01

Подшипниковый узел РКС6.09240, РКС6.05240-01

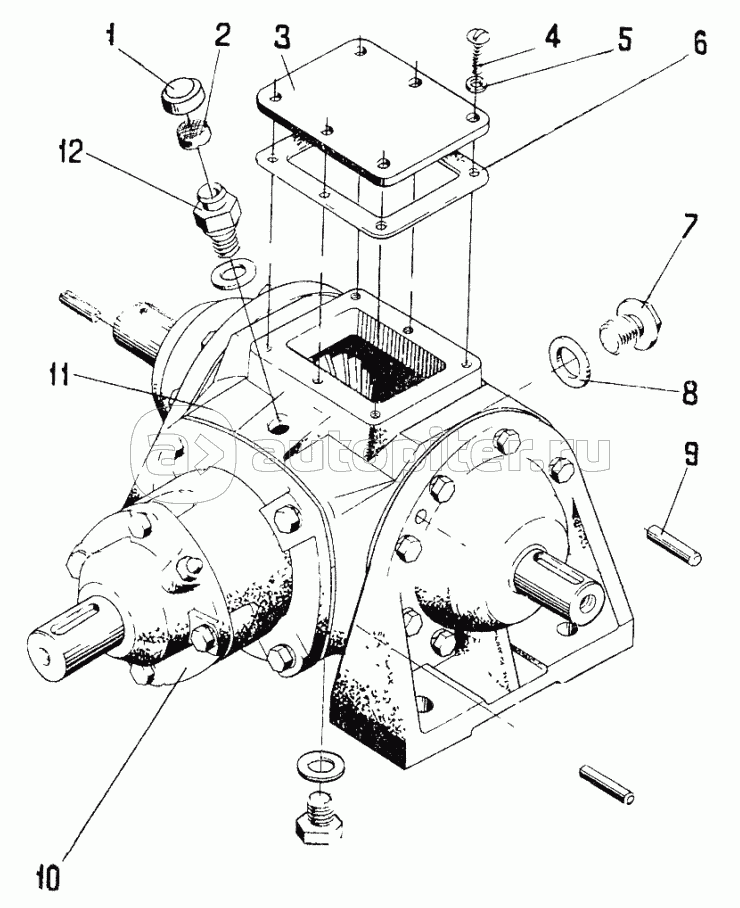
Редуктор шнеков СПС2001001

Редуктор шнеков СПС2001001

Трансмиссия СПС08000

Натяжное устройство КТ22020А

Звездочка силовая РКС6.08310

Звездочка силовая СПС08430

Звездочка в сборе БМД59230, БМД59230-01, БМД59230-02

Натяжное устройство БМД59240

Натяжное устройство БМД59240-01, БМД59240-04

Натяжное устройство ДМД59240-05

Редуктор СПС08530

Редуктор унифицированный Н.090.40.000-223

Редуктор унифицированный Н.090.40.000-223

Стакан Н.090.40.010

Трансмиссия питателя СПС08510

Трансмиссия питателя СПС08510

Натяжное устройство СПС08370-01

Вал промежуточный СПС08470

Блок звездочек СПС08480

Редуктор СПС08520

Редуктор унифицированный Н.090.40.000-323

Редуктор унифицированный Н.090.40.000-323

Предохранительная муфта с сигнализатором СПС08550

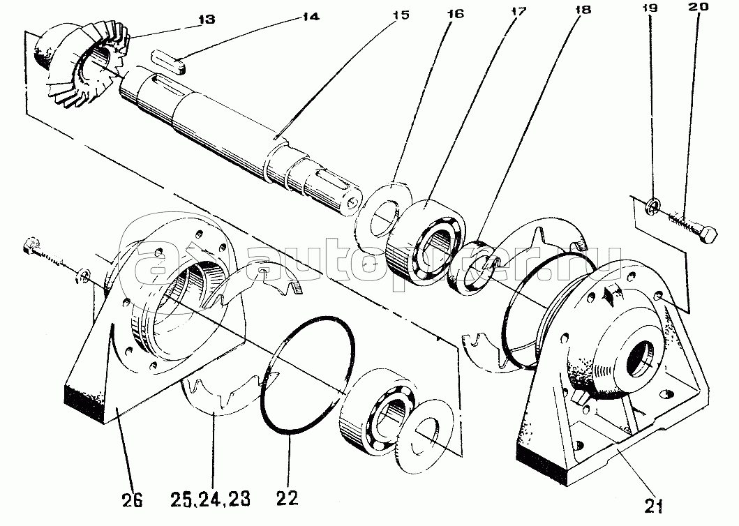
Вал продольный СПС08620

Подшипниковый узел РКС6.05200, РКС6.05200-01

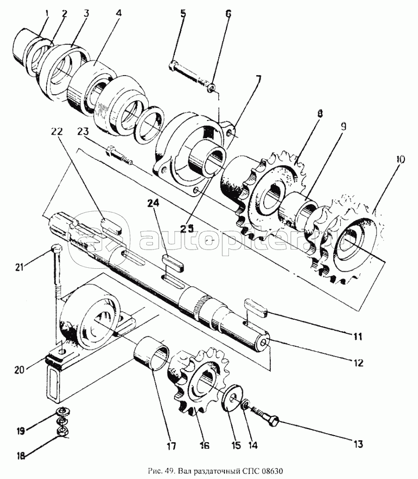
Вал раздаточный СПС08630

Вал правый СПС08640

Вал правый СПС08640

Вал левый СПС08650

Полумуфта соединительная СПС08450

Привод СПС30050

Привод СПС30050-01

Опора СПС30060

Опора СПС30060-01

Привод СПС16200-01

Опора СПС16210

Опора СПС16210-01

Опора СПС16210-02

Привод СПС16220

Опора СПС161270

Опора СПС16270-01

Подшипниковый узел РКС6.05240-04