СУПН-8Аsupn-8a
Поиск деталей
Например: Сеялка СУПН-8А. Общий вид
Сеялка СУПН-8А

Сеялка СУПН-8А. Общий вид

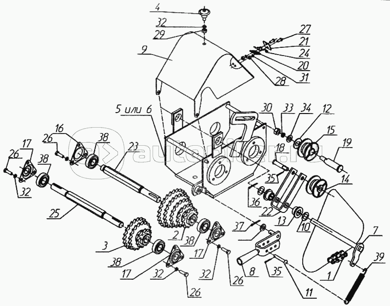
Механизм передач 509.046.1720

Механизм передач 509.046.2320

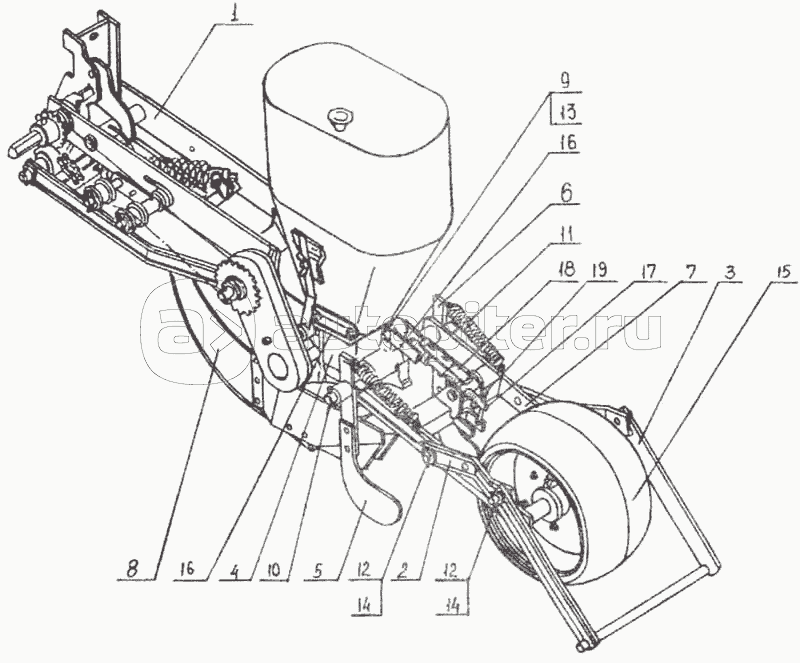
Секция СУПА 00.2420А

Поводковая группа секции СУПА 00.2420А

Аппарат высевающий СУПК 00.1020А

Комплект дисков Н 126.14 150

Бункер 509.046.1170

Колесо 509.046.210

Сошник туковый 509 04б.2090(-01)

Аппарат туковысевающий 509.046.2240

Соединение туковысевающих аппаратов

Вентилятор 509,046.22005

Вентилятор 509.046.2200 (верхний вал)

Вентилятор 509.046.2200 (нижний вал)

Вал карданный

Кожух защитный

Маркер (центральная часть)

Маркер (левый)

Маркер (правый)

Диск СШЕ 04.120

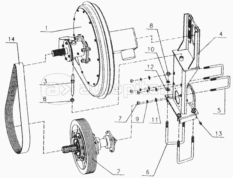
Каток прикатывающий 509.046.220

Устройство для вычесывания мелких сорняков СУПА 10.000