КДФ-3Вkdf-3v
Поиск деталей
Косилка дисковая двусторонняя КДД-9 ВТКосилка дисковая фронтальная КДФ-3 В

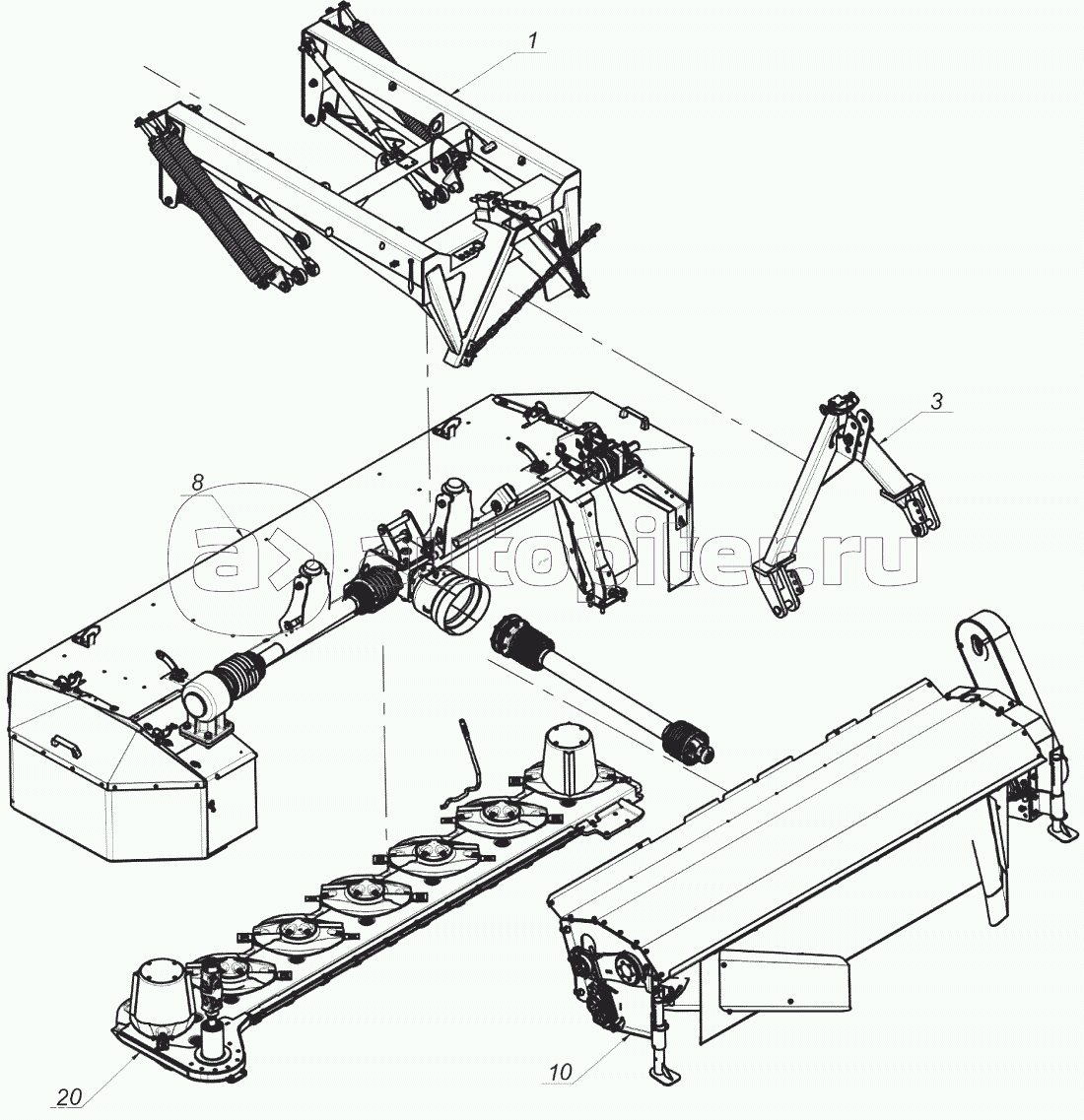
Косилка дисковая фронтальная КДФ-3 В КДФ-3-00.00.000

Рама навески в сборе КДФ-3-01.00.000 А

Основная рама KDF КДФ-3-13.00.000

Редуктор центральный 110-01.111.R1S MIPS-110-000

Редуктор бруса 015-04.101.LS MIPS-015-007

Режущий брус 0573.03.00.003

Сцепка автоматическая КДФ-3-03.00.000

Вспушиватель KDF КДФ-3-15.00.000

Рама вспушивателя KDF КДФ-3-14.00.000

Вал вспушивателя 0780.13.00.007

Привод вспушивателя 0752.03.00.004