ЛуАЗ 969Мluaz-969m
Поиск деталей
Например: Кузов

Генератор

Регулятор напряжения и реле блокировки

Аккумуляторная батарея и выключатель "массы"

Замок, катушка, провода и свечи зажигания

Установка распределителя зажигания

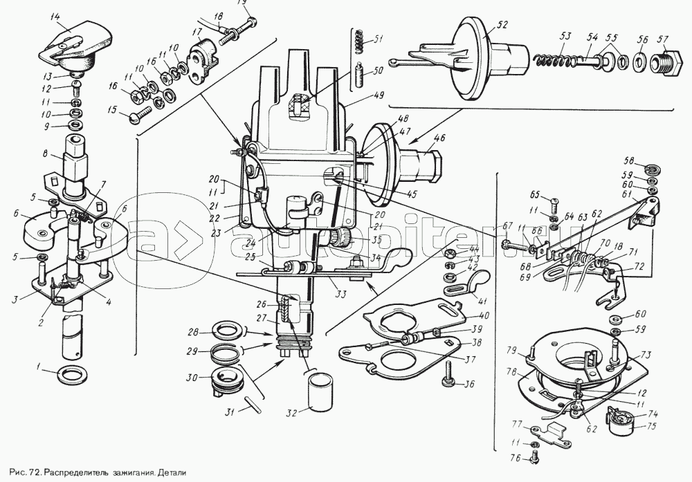
Детали распределителя зажигания

Реле стартера дополнительное

Стартер со шпильками в сборе

Переключатель стеклоочистителя и стеклоомывателя

Переключатель света центральный

Выключатель аварийной сигнализации (по 08.86 г.)

Выключатель аварийной сигнализации (с 08.86 г.)

Переключатель света фар ножной (по 03.86 г.)

Фара

Подфарник

Плафон освещения кузова

Лампа подкапотная

Фонарь задний

Световозвращатель

Фонарь заднего хода

Выключатель света заднего хода

Фонари освещения номерного знака (по 07.87 г.)

Фонари освещения номерного знака (с 07.87 г.)

Выключатель сигнала торможения

Сигнал звуковой

Предохранитель тепловой

Блок предохранителей

Предохранитель тепловой кнопочный

Розетка штепсельная

Электропровода

Боковой повторитель указателей поворота

Прерыватель указателей поворота

Электрооборудование отопителя

Реле сигнализации (исправности тормозов)