Ставрополец-244stavropolec-244
Поиск деталей
Например: ТЕ250.11А Воздушный фильтр в сборе
ДвигательТрансмиссияПередняя осьКолесаРулевое управлениеТормозная системаГидравлическая система и ее механизмыКабина, сиденье водителя, облицовкаЭлектрическая система

FT250.21.011 Сцепление в сборе

ТЕ250.212 Механизм управления сцеплением

TE254.361D Картер сцепления в сборе

ТЕ254.371С Коробка передач в сборе-1

ТЕ254.371С Коробка передач в сборе-2

ТЕ250.372В Главная передача заднего моста в сборе-1

ТЕ250.372В Главная передача заднего моста в сборе-2

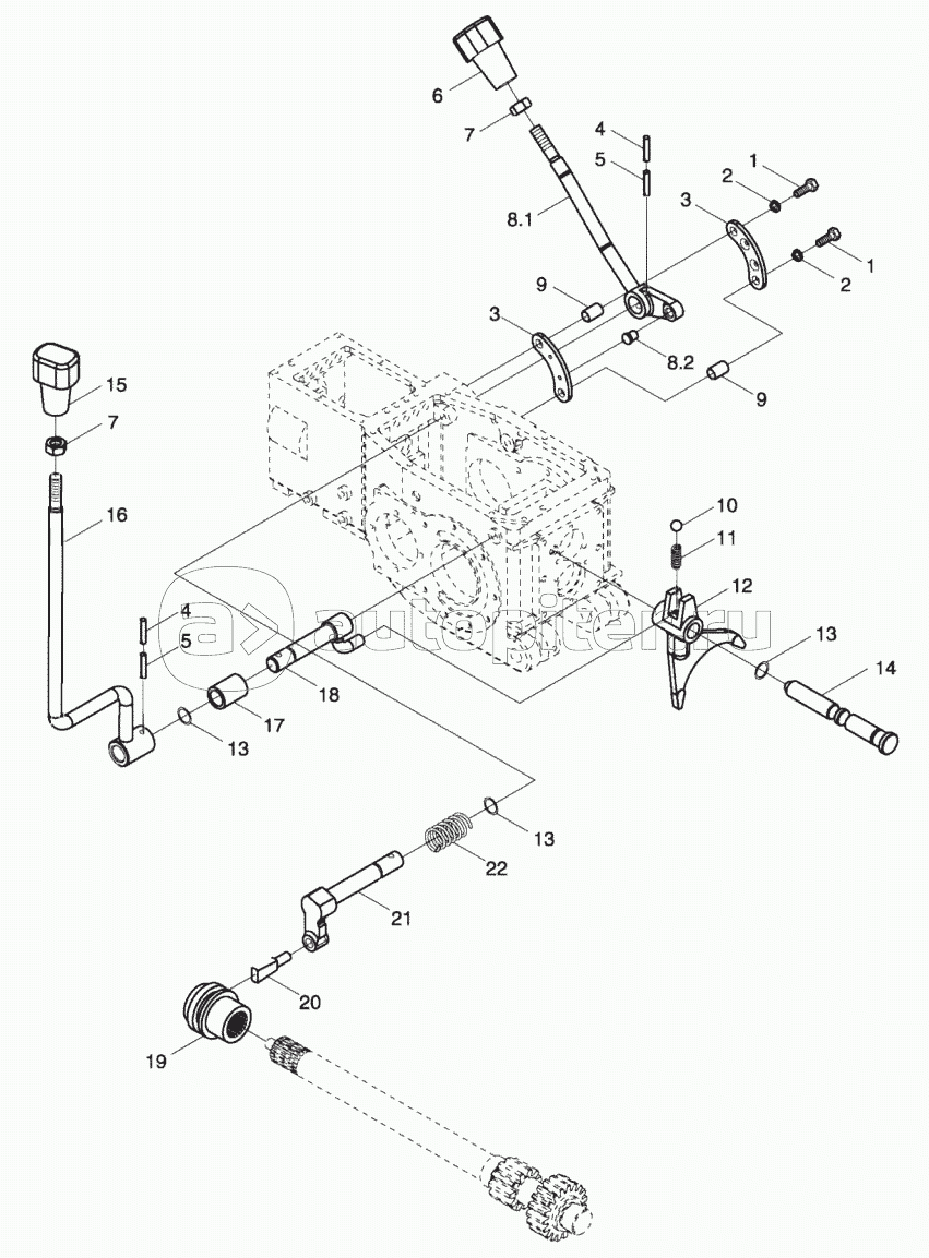
ТЕ250.373С Механизм управления коробкой передач в сборе-1

ТЕ250.373С Механизм управления коробкой передач в сборе-2

ТЕ250.373С Механизм управления коробкой передач в сборе-3

ТЕ250.391 Конечная передача левая в сборе

ТЕ250.392 Конечная передача правая в сборе

ТЕ250.411В Вал отбора мощности в сборе (6-ти шлицевой)

ТЕ250.412С Привод вала отбора мощности в сборе

ТЕ250.413В Механизм управления валом отбора мощности в сборе

ТЕ254.421В Привод переднего моста в сбор

ТЕ254.422А Вал привода переднего моста в сборе

ТЕ254.423А Механизм управления приводом переднего моста в сборе