НефАЗ-66063 (64, 65)nefaz-66063-64-65
Поиск деталей
НефАЗ-66063 (66064, 66065)

66063-0000010-15, 66063-0000011-15 Автоцистерна транспортная для питьевой воды

66064-0000010-15, 66064-0000011-15 Автоцистерна транспортная для питьевой воды

66065-0000010-10, 66065-0000011-10 Автоцистерна транспортная для питьевой воды

66061-2804010 Установка заднего буфера

5511-3105030 Вал ворота

6606-3105032 Ворот

66064-3105032 Ворот с тросом

66063-3105200 Установка запасного колеса

66064-3105200 Установка запасного колеса

66065-3716010 Установка задних фонарей

66063-3716050 Установка задних фонарей

66065-3717020, 66065-3717020-10 Установка переднего фонаря

66063N-3729010, 66063О-3729010 Монтаж электрооборудования

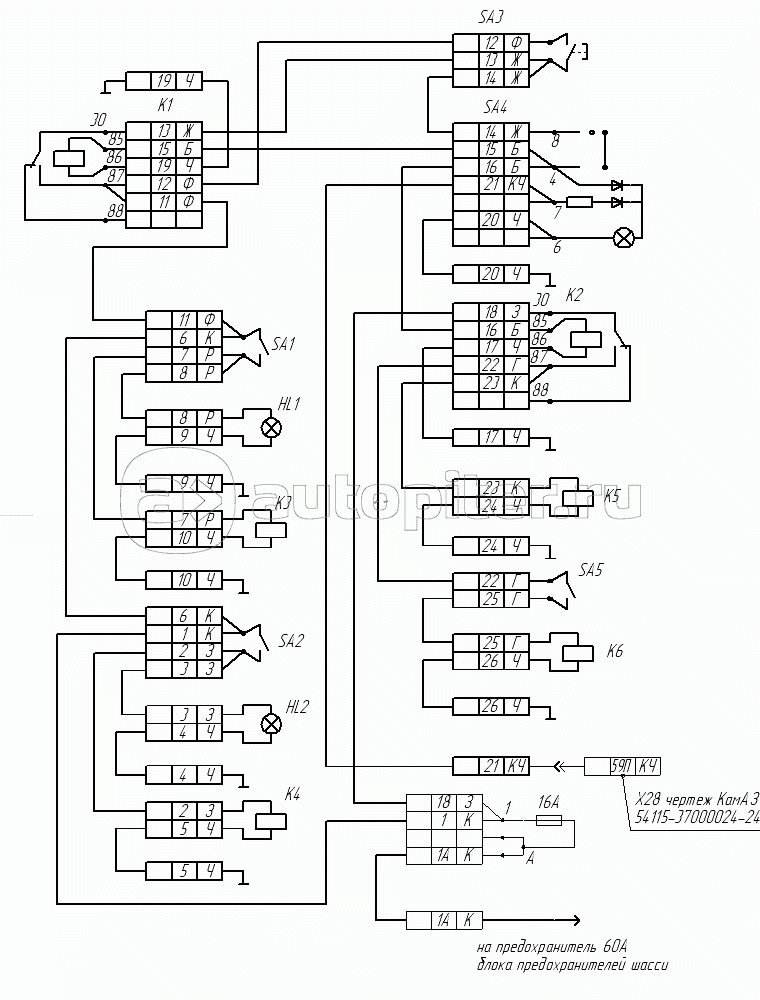
66063О-3729010 Э4 Схема электрическая соединений (без насоса)

66063N-3729010 Э4 Схема электрическая соединений (с насосом)

66065-3729010-15, 66065-3729011-15 Установка электрооборудования

66065-3729010 Э3 Схема электрическая принципиальная (без насоса)

66065-3729011Э3 Схема электрическая принципиальная (с насосом)

66063-3919005 Установка ящика для ЗИП

66065-3919005 Установка ящика для ЗИП

56071-3919010 Ящик для ЗИП

6606-3919010 Ящик для ЗИП в сборе

56071-3919025 Дверка в сборе

6606-3919025 Дверка в сборе

9674-3919040 Замок с защелкой типа ЗМЧ

66065-3926010 Установка противооткатных упоров

66061-01-3932200, 66063-01-3932200, 9674-3932200 Рукав

5511-4202001-20 Установка коробки отбора мощности с насосом

5511-4202005-20 Установка коробки отбора мощности с насосом

5511-4202010-20 Коробка отбора мощности

НШ32А-3Л-00 Насос шестеренный

66063-8000010-04, 66064-8000010-04, 66065-8000010-04 Установка технологического оборудования

66063-01-8000010-03, 66064-01-8000010-03, 66065-01-8000010-03 Установка технологического оборудования

66063-01-8000050-04, 66064-01-8000050-04, 66065-01-8000050-04 Установка сливо-наливного устройства

66063-01-8020010-03 Установка системы управления нижними клапанами

66065-01- 802010-03 Установка системы пневмооборудования привода насоса

66063-8026200 Клапан предохранительный

66063-8026201 Клапан

66063-01-8027010-03, 66064-01-8027010-03, 66065-01-8027010-03 Установка шкафа арматурного

66061-01-8027030 Дверка в сборе

66061- 01- 8027050, 6606-03-8027050, 66062-03-8027050, 66063-01-8027050 Шкаф в сборе

96741-01-8027050 Замок с защелкой

66063-01-8029010-10 Фильтр

66063-8210030 Установка лестницы, поручня, площадки

66064- 8210030, 66065-8210030 Установка лестницы, поручня, площадки

66063-8512010 Цистерна термоизоляционная (сварная)

66063-8513110 Крышка горловины в сборе (сварная)

Э66061-8513140 Гайка в сборе

66063-8516090 Установка упора опоры цистерны

9674-8520010-01, 66063-8520010-01, 5607-8520010-01 Пенал в сборе

9674-8520020-01 Защелка

9674-8520030-01 Накладка в сборе (сварная)

66063-01-8600020-03 Установка системы гидрооборудования привода насоса

66065-01-8600020-03 Установка системы гидрооборудования привода насоса

66052-8607003 Блок управления

5511-8608010-02, 65111-8608010 Бак масляный