НефАЗ-96931-10-07nefaz-96931-10-07
Поиск деталей
НефАЗ-96931-0000010, 96931-0000011

96931 -0000010-07 Полуприцеп-цистерна, 96931-0000011-07 Полуприцеп-цистерна (с насосом)

96931-01-1922010-07, 96931-01-1922020-07 Установка маслопроводов

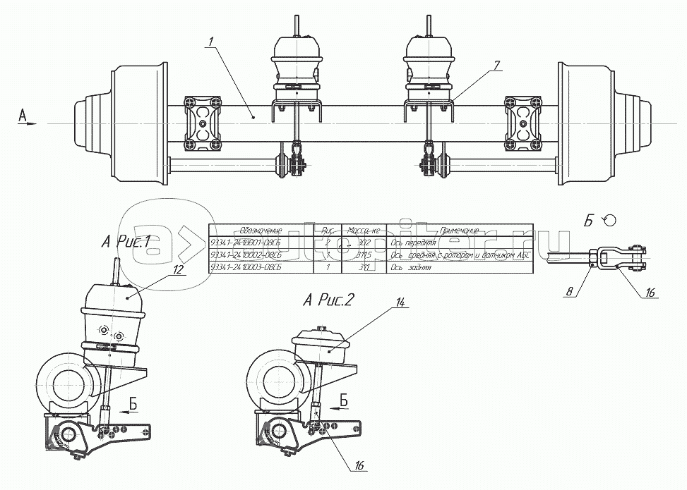
93341-2410001-08, 93341-2410002-08, 93341-2410003-08 Ось с тормозными камерами

9693-2704210 Плита опорная

96894-2700001 Установка опорных устройств haacon S/LA930 №211178

96894-2804010 Установка заднего буфера

96931-07-2900002 Установка подвески и оси

96931-07-2900005 Подъёмник оси

96931-07-2912280 Установка держателей пневмоподвески на раму

96894-3101003 Установка колес

93341-3101020-08 Колесо с шиной

96931-3105001 Установка запасного колеса

96931-3500001-07 Установка пневмотормозов

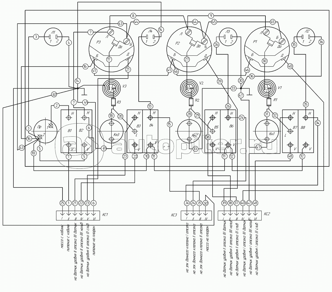
96931-3700010 Монтаж электрооборудования на полуприцепе

9693-3700020Э4 Схема электрическая

9334-3716020 Установка задних фонарей

9693-3717020, 9693-3717020-10 Установка переднего фонаря

9693-3718400 Щиток управления

9693-3718400 Э4 Схема электрическая щитка

9693-3719030 Установка коробки соединительной

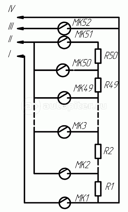
96742- 3827010 Установка датчика уровня жидкости

96742- 3827010 ЭЗ Датчик уровня жидкости. Схема электрическая принципиальная

96741-3910165 Установка огнетушителя

96742-3919010 Установка ящика для ЗИП

6606-3919020-62 СБ Ящик для песка в сборе

АЦ-10-53212-3919035 Установка ящика для песка

9674-3919040 Замок с защелкой типа ЗМЧ

9674-3932200 Рукав

96931-01-8000010-07 Установка технологического оборудования, 96931-01-8002010-07 (01) (с охладителем масла)

96931-8000050-07 Установка сливно-наливного устройства

96931-01-8000050-07, 96931-01-8000050-07 Установка сливо-наливного устройства

66061-8000250 Патрубок в сборе

96931-01-8000250-07 Отвод в сборе

96931-01-8000260-07 Отвод в сборе

66065-8000300-15 Охладитель масла (сварной)

96931-8020010-07 Установка системы управления нижними клапанами

96931-01-8020010-07 Установка системы управления нижними клапанами

6606-8026200 Клапан предохранительный

6606-8026201 Клапан

96931-8027010-02 Установка шкафа арматурного

96931-01-8027010-07 Установка шкафа арматурного

96742-01-8027030-10 Дверка шкафа в сборе

96741-01-8027050 Замок с защелкой

96931-01-8027050-04 Шкаф арматурный

96741-01-8029010 Фильтр

ГМШ 32-3-Л-00 Гидромотор шестеренный

96931-8210030-07 Установка лестницы, поручней, площадок

96931-8513020-07 Корпус цистерны (сварной)

96931-8513025-07 Отсеки корпуса цистерны в сборе (сварные)

66052-8513110-10 Крышка горловины

96931-8517310-07 Рама задняя

96931-8517311-07 Рама передняя

9674-8520010-01, 66063-8520010-01, 5607-8520010-01 Пенал в сборе

9674-8520020 Защелка

9674-8520030-01 Накладка в сборе

96931-8530010-07, 96931-8530011-07 Установка боковой защиты

96741-8532010 Установка защиты крышки горловины