К-702МБАk-702mba
Поиск деталей
Например: Кабина

Установка коробки передач

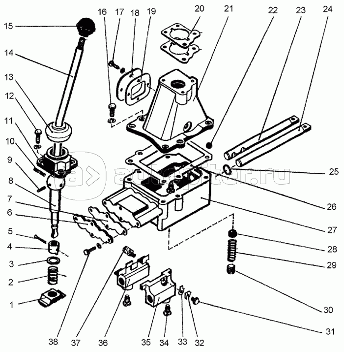
Управление переключением передач

Селектор

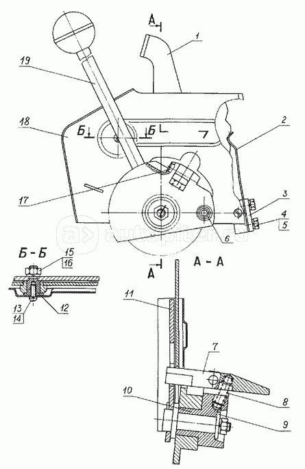
Привод управления коробкой передач

Картер коробки передач

Вал привода насоса КП

Вал ведущий, фрикцион 2 передачи заднего хода

Вал ведущий, фрикционы 2 передачи переднего хода и 1 передачи заднего хода

Вал ведущий, фрикцион 1 передачи переднего хода

Вал промежуточный

Вал грузовой

Вал раздаточный

Привод управления муфтами раздаточного вала

Ось заднего хода

Механизм переключения передач

Насос коробки передач

Фильтр коробки передач