К-702МВk-702mv
Поиск деталей
Например: Кабина

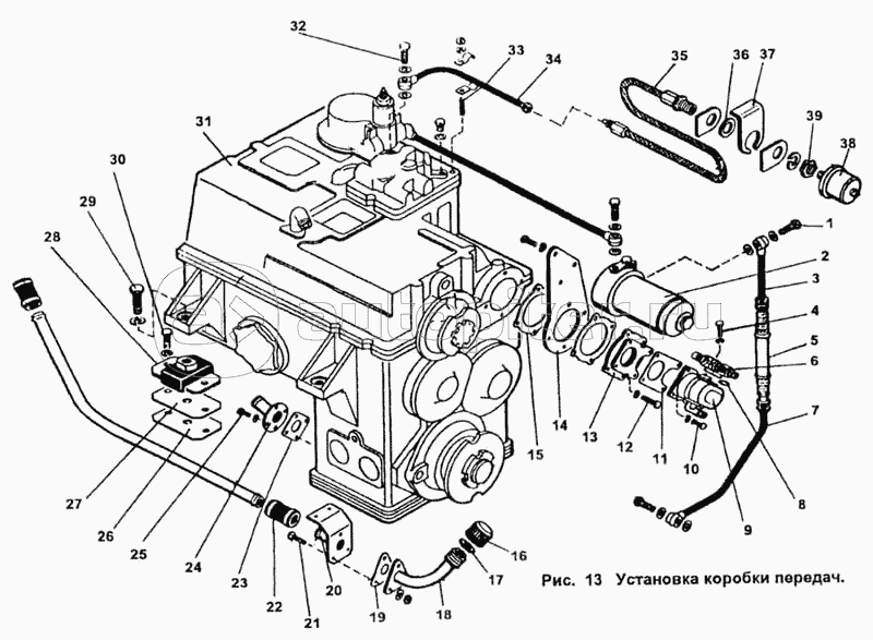
Установка коробки передач

Управление переключением передач

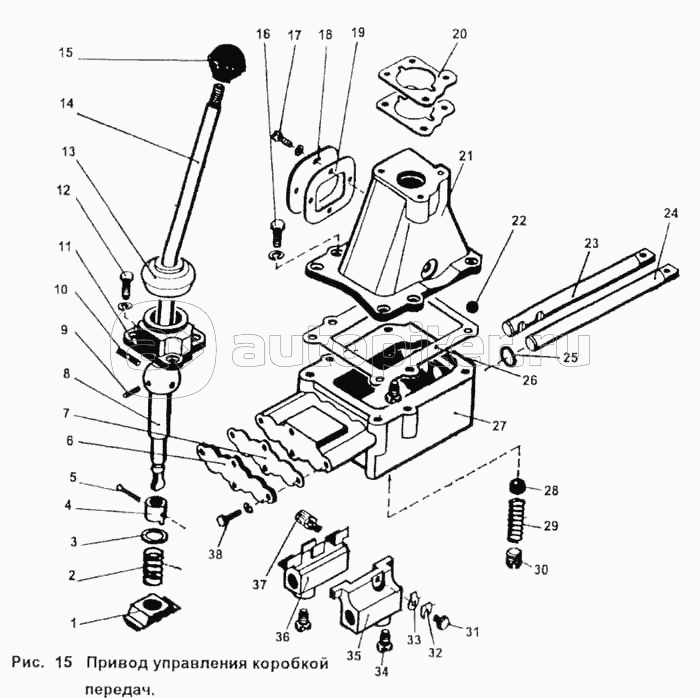
Привод управления коробкой передач

Картер коробки передач

Вал привода насоса КП

Вал ведущий, фрикцион 2-й передачи заднего хода

Вал ведущий, фрикционы 2-й передачи переднего хода и 1-й передачи заднего хода

Вал ведущий, фрикцион 1-й передачи переднего хода

Вал промежуточный

Вал грузовой

Вал раздаточный

Привод управления муфтами раздаточного вала

Ось заднего хода

Насос коробки передач