To content
Помощь по сайту
Новости
zapros.kg@autopiter.com
Контакты
Все категории
Каталоги запчастей
Бишкек
Вход
Корзина
Все категории
Каталоги запчастей
Фильтры Hebel Kraft
Оригинальные каталоги по VIN
Неоригинальные запчасти
Запчасти ВАЗ, ГАЗ, КАМАЗ
Запчасти для ТО
Для спецтехники
Запчасти на ВАЗ, ГАЗ, Камаз и т.д.
ПТЗ
К-744Р2
К-744Р2
k-744r2
Поиск деталей
Например:
Кабина в сборе 744Р-6700000-3
Кузов
Кабина
Сиденья
Вентиляция и отопление
Принадлежности
Капот, крылья, облицовка радиатора
Двигатель
Двигатель
Система питания
Система выпуска отработанных газов
Система охлаждения
Система очистки воздуха
Трансмиссия
Сцепление
Коробка передач
Передача карданная
Мост передний
Ходовая часть
Рама
Подвеска
Колеса
Механизмы управления
Управление рулевое
Тормоза
Электрооборудование
Электрооборудование
Приборы и датчики
Дополнительное оборудование
Коробка отбора мощности
Оборудование навесное
Принадлежности
Инструмент и принадлежности
Приложение
Схема расположения подшипников
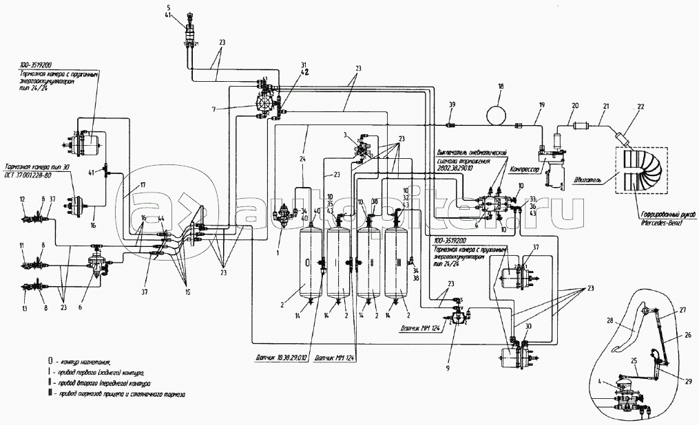
Схема пневматическая тормозной системы 742P2-3500000-3
Заказы на сайте принимаются и обрабатываются круглосуточно
Бесплатно доставляем заказы «до двери» оптовым клиентам 5‑6 раз в неделю нашей собственной курьерской службой
Для тех, кто забирает заказы самостоятельно мы стараемся удобно располагать наши пункты самовывоза
Оплатить все товары можно
Или выбрать другой удобный для вас способ