РАФ-2203raf-2203
Поиск деталей
Например: Основание в сборе

Двигатель в сборе (изображение отсутствует)

Подвеска двигателя

Блок и головка цилиндров двигателя

Поршни и шатуны двигателя

Вал коленчатый и маховик двигателя

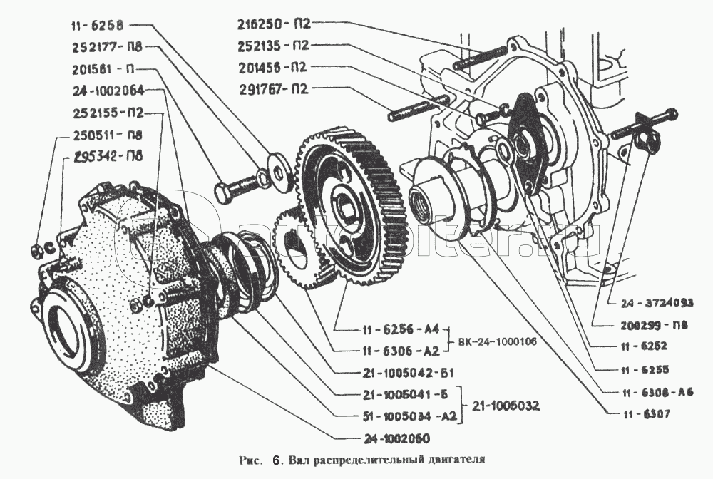
Вал распределительный двигателя

Вал распределительный, клапаны и толкатели клапанов двигателя

Газопровод впускной и выпускной двигателя

Картер масляный и вентиляция картера двигателя

Маслоприемник, насос масляный двигателя, привод распределителя зажигания

Насос масляный двигателя, привод распределителя зажигания

Радиатор масляный двигателя

Фильтр тонкой очистки масла двигателя

Фильтр тонкой очистки масла двигателя