ПС-5 Фермерps-5-fermer
Поиск деталей
Протравливатель ПС-5 «Фермер»

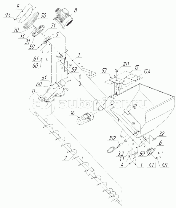
Протравливатель ПС-5 «Фермер» ИЯПБ.14.00.00.000

Бак в сборе ИЯПБ.15.30.00.000

Узел распределения жидкости ИЯПБ.15.30.02.000

Система дозирования ИЯПБ.15.30.03.000

Система фильтрации ИЯПБ.15.07.00.000

Бачок в сборе ИЯПБ.15.00.04.000

Насос в сборе ИЯПБ.14.00.06.000

Комплект рукавов ИЯПБ.14.00.15.000

Шнек ИЯПБ.14.20.00.000

Привод в сборе ИЯПБ.15.23.00.000

Форсунка с приводом ИЯПБ.15.25.00.000

Штаны в сборе ИЯПБ.15.24.00.000

Опора подшипника нижняя ИЯПБ.14.85.30.000

Опора подшипника верхняя ИЯПБ.15.26.00.000

Колесо правое в сборе ИЯПБ.14.40.00.000

Колесо левое в сборе ИЯПБ.14.41.00.000

Опора поворотная ИЯПБ.15.50.00.000

Пульт управления ИЯПБ.14.35.00.000