Дон 1200don-1200
Поиск деталей
Например: Дизель СМД-23

Дизель СМД-23

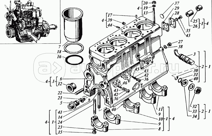
Блок-картер

Трубка сливная

Патрубок маслоналивной

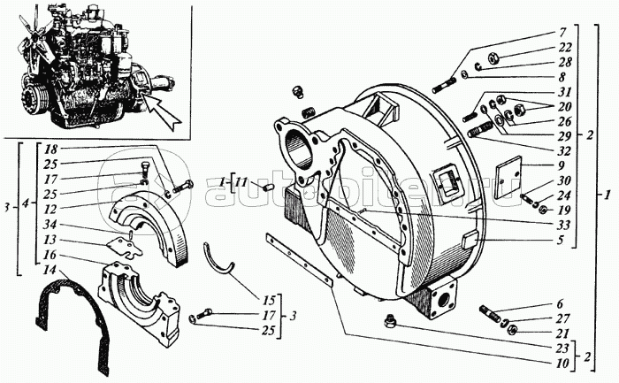
Картер маховика

Картер и крышка картера шестерен

Поршень с шатуном

Вал коленчатый

Маховик

Передний носок коленчатого вала

Распределение

Головка цилиндров

Механизм газораспределения

Колпак головки цилиндров

Крышка картера нижняя

Насос масляный

Центрифуга масляная полнопоточная

Фильтр

Установка подогревателя

Установка гидронасоса

Установка гидронасоса