To content
Помощь по сайту
Новости
zapros.kg@autopiter.com
Контакты
Все категории
Каталоги запчастей
Бишкек
Вход
Корзина
Все категории
Каталоги запчастей
Фильтры Hebel Kraft
Оригинальные каталоги по VIN
Неоригинальные запчасти
Запчасти ВАЗ, ГАЗ, КАМАЗ
Запчасти для ТО
Запчасти на ВАЗ, ГАЗ, Камаз и т.д.
РСМ
РСМ-101 "Вектор"
РСМ-101 "Вектор"
rsm-101-vektor
Поиск деталей
Например:
Общий вид комбайна зерноуборочного самоходного c жаткой
Общий вид комбайна
Схема деления комбайна
Камера наклонная
Шасси
Секция с площадкой
Каркас
Рабочее место
Бункер
Элеватор зерновой
Элеватор колосовой
Установка моторная
Измельчитель разбрасыватель
Капотирование
Комплект копнителя
Гидрооборудование
Светосигнальное оборудование
Схема ременных и цепных передач
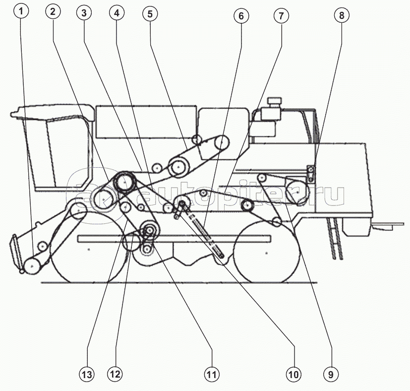
Схема ременных и цепных передач комбайна (левая сторона)
Схема ременных и цепных передач комбайна (левая сторона)
Схема ременных и цепных передач комбайна (правая сторона)
Схема ременных и цепных передач комбайна (правая сторона)
Заказы на сайте принимаются и обрабатываются круглосуточно
Бесплатно доставляем заказы «до двери» оптовым клиентам 5‑6 раз в неделю нашей собственной курьерской службой
Для тех, кто забирает заказы самостоятельно мы стараемся удобно располагать наши пункты самовывоза
Оплатить все товары можно
Или выбрать другой удобный для вас способ