Vector-450 (Часть 1)vector-450-chast-1
Поиск деталей
Камера наклоннаяШасси[96]лзун 102.02.00.470 с 20120501[98]лзун 102.02.00.480 с 20120501[105]лзун 102.02.00.470-01 с 20120501Установка моторнаяМесто рабочееПлощадкаГидрооборудованиеЭлектрооборудование

Место рабочее 102.06.00.000Ф с 20120523

Отопитель 102.06.02.000Ф с 20120523

Коммуникации отопителя 102.64.01.000 с 20120501 по 20150716

Отопитель 101.04.00.270 с 20090301 по 20150319

Блок ТУ 4791-008-119432 ОТ 2.8101.010-03

Отопитель ТУ 23.1.156-83 ОТ 2.13.001МА-1

Система вентиляции 101.64.01.100 с 20110602 по 20150516

Фильтр воздушный 101.64.01.150 с 20110602

Кронштейны зеркал 102.06.03.000Ф с 20120523

Кронштейн зеркала 101.04.03.010 с 20090101

Кронштейн зеркала 101.04.03.010-01 с 20090101

Крыша 102.06.04.000Ф с 20120523

Экран 101.26.00.110 с 20110601 по 20120716

Каркас 102.06.05.000Ф с 20120523

Крышка 101.04.23.070 с 20060926

Пульт управления 102.06.06.000Ф с 20120523

Панель 102.04.00.180 с 20120501

Коммуникации электрические панели 102.10.04.200

Панель 102.04.00.180-01 с 20120501

Пульт управления 102.04.01.200 с 20120501

Коммуникации электрические пульта управления 102.10.04.300

Рычаг МРУ-1.21.110 с 20110201

Рукоятка 101.04.11.050 с 20060906

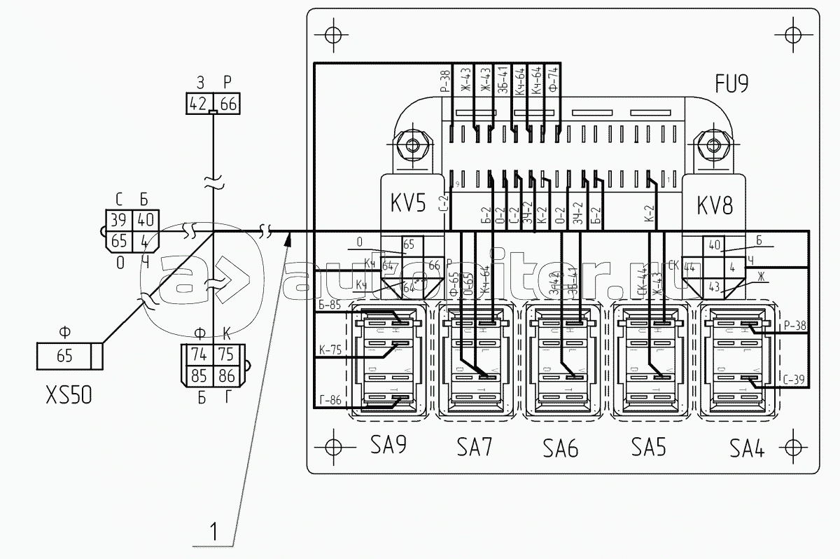
Блок диодов БД2 101.10.06.080 с 20100101

Блок предохранительный 46.3722

Пульт управления 102.04.01.200-01 с 20120501

Панель информационная 102.06.07.000Ф с 20120523

Сиденье 102.06.08.000Ф с 20120523

Сиденье 101.06.01.320 с 20090601

Сиденье 102.04.00.010 с 20120501 по 20131115

Подлокотник 102.04.00.100 с 20120501

Дверь левая 102.06.09.000Ф с 20120523

Дверь 101.06.01.020 с 20080301

Замок 101.06.01.470 с 20061031

Дверь левая МРУ-1.03.260 с 20140303

Дверь правая 102.06.10.000Ф с 20120523

Дверь 101.06.01.030 с 20080301

Дверь правая МРУ-1.03.250 с 20140303

Блок педалей 102.06.20.000Ф с 20120523

Колонка рулевая 102.06.13.000Ф с 20120523

Колонка рулевая 102.04.13.000 с 20120501

Колесо рулевое 101.26.13.040 с 20120131

Колесо рулевое МРУ-1.13.040 с 20080301

Зажим 101.06.13.040 с 20080301 20151216

Монтаж жгута рулевой колонки 101.10.26.400 с 20080501

Вал рулевой 101.26.13.010 с 20050404 20120316

Внутренняя облицовка кабины 102.06.18.000Ф с 20120523

Аптечка РСМ-10.04.21.120 с 20060213

Панель 101.06.00.190 с 20090601

Монтаж жгута панели 101.10.06.100 с 20080501

Потолок 101.04.01.100 с 20090301

Система акустическая U90AS10 ФКШБ.467292.020

Стеклоочиститель 102.06.19.000Ф с 20120523

Кондиционер 102.06.28.000Ф с 20120523

Крышка охладителя 101.04.00.280 с 20070301

Установка кондиционера 102.00.26.000 с 20120501 по 20150716