БМ-6А (2005)bm-6a-2005
Поиск деталей
Например: Машина ботвоуборочная БМ-6А

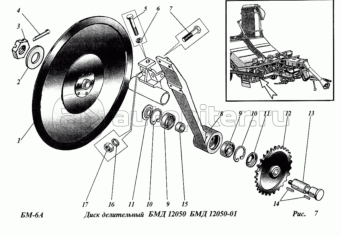
Диск делительный (БМД12050, БМД12050-01)

Ботворез правый (БМД52000)

Вал верхний правый (БМД52570)

Полотно наклонного транспортера (БМД52670)

Полотно наклонного транспортера (БМД52670)

Полотно наклонного транспортера (БМД52670)

Рама ботвореза правая (БМД 52590)

Механизм копирующий (БМД52820)

Транспортер горизонтальный (БМД 54000)

Транспортер горизонтальный (БМД54000)

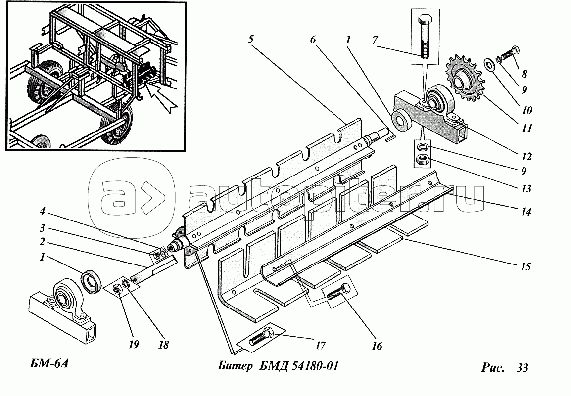
Битер (БМД54180)

Битер (БМД54180-01)

Битер (БМД54180-02)

Вал ведущий (БМД54210)

Вал привода (БМД64310)

Рама очистителя головок корней (БМД 64400)

Вал очистителя головок корней (БМД64400)

Ворошитель (БМД68000)

Транспортер погрузочный (БМД71000)

Транспортер погрузочный (БМД71000)

Вал ведущий погрузочного транспортера (БМД77010)

Рама погрузочного транспортера (БМД71050)

Полотно погрузочного транспортера (БМД71210)

Полотно погрузочного транспортера (БМД71210)

Устройство копирующее (БМД 77010)

Битер наклонного транспортера (БМД80080)

Аппарат режущий (БМД84100, БМД84070)

Аппарат режущий (СДК500010Б, СДК500020Б)