УАЗ-3962uaz-3962
Поиск деталей
Например: Кузов в сборе, кабина в сборе

Радиатор, и подвеска радиатора

Трубопроводы и шланги, пробка радиатора и краник сливной

Насос водяной с кронштейном, выпускным патрубком и термостатом

Насос водяной с кронштейном, выпускным патрубком и термостатом, вентилятор и кожух вентилятора

Вентилятор, кожух вентилятора и насос водяной

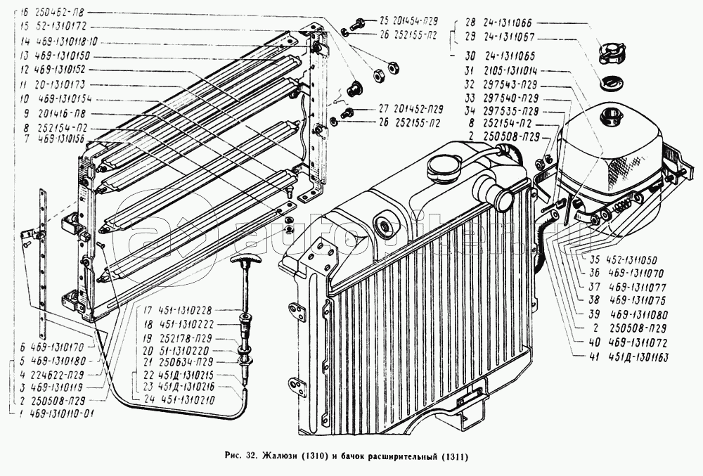
Жалюзи и привод, бачок расширительный