RAPID RD 500F, 600F, 800Frapid-rd-500f-600f-800f
Поиск деталей
Например: Drawbar RD 500-800F
Rapid RD 500F, Rapid RD 600F, Rapid RD 800F

Drawbar RD 500-800F

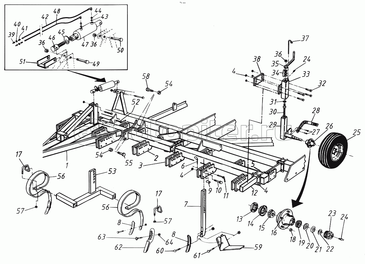
Frame RD 500-800F

Seed hopper RD 500-800F, s/n 10 310-

Seed hopper RD 500-800F, s/n -10 309

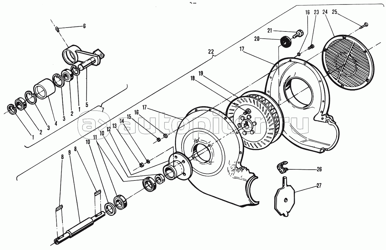
Fan RD 500-800F, s/n 10 623-

Fan RD 500-800F, s/n 10 324-10 622

Fan RD 500-800F, s/n 10 260-10 323

Fan RD 500-800F, s/n 10 159-10 259

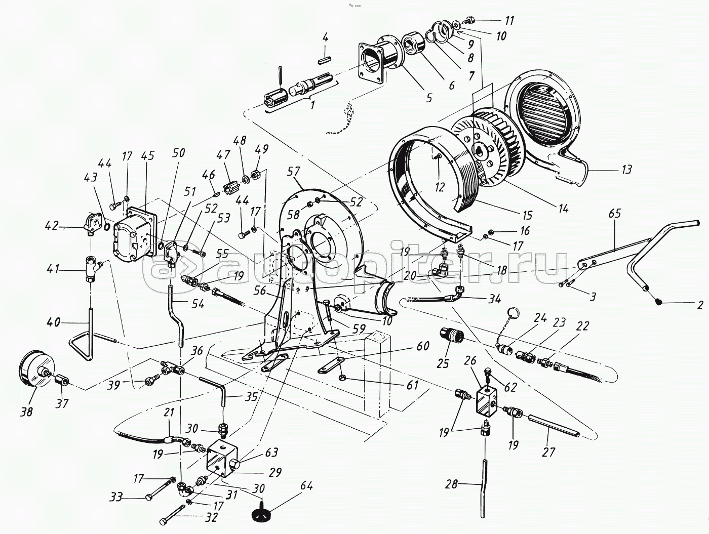
Fan with bracket RD 500-800F

Fan RD 500-600F

Fan RD 800F

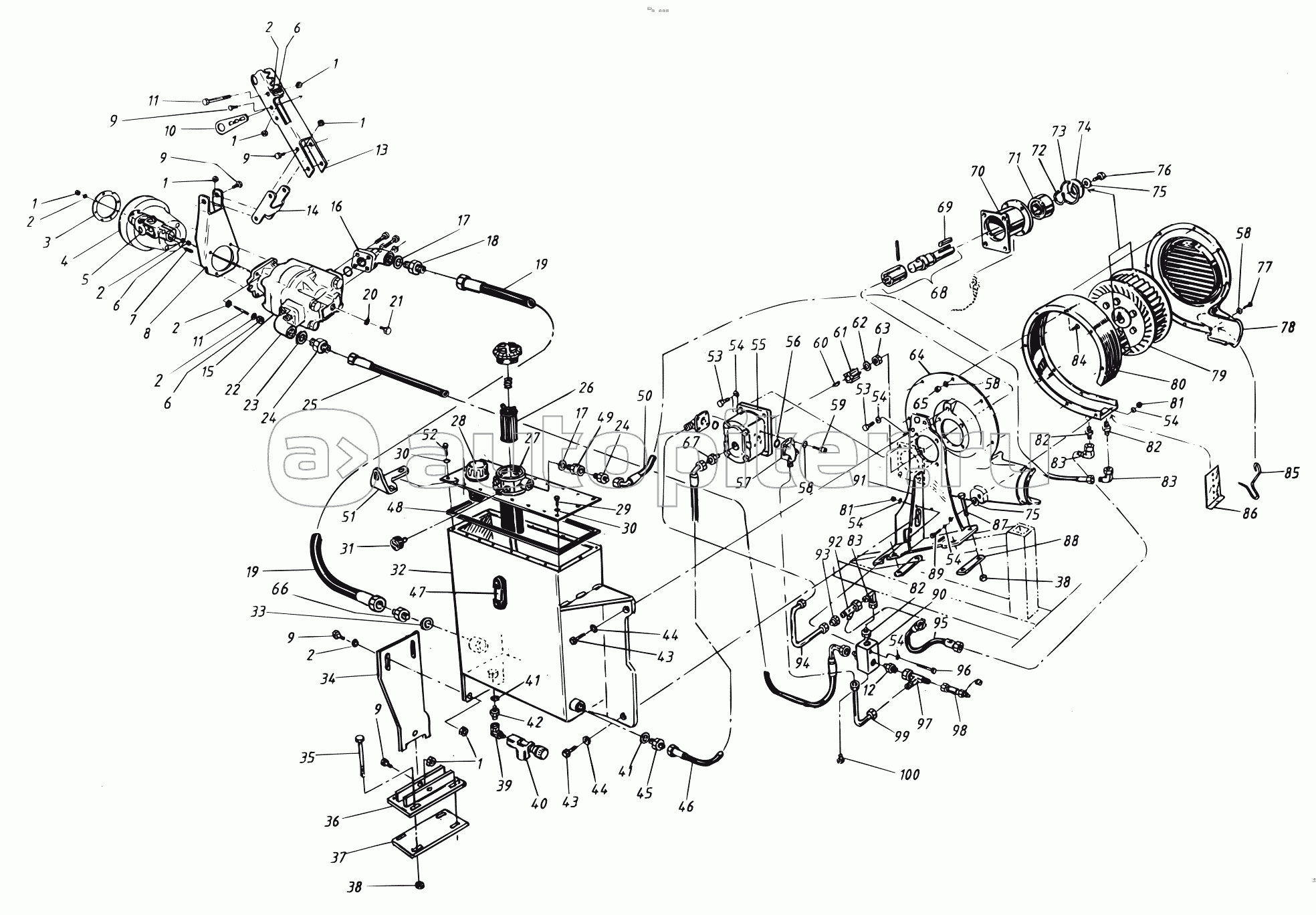
FENIX Pneumatic system RD 500-800F

FENIX Seed feed housing RD 500-800F

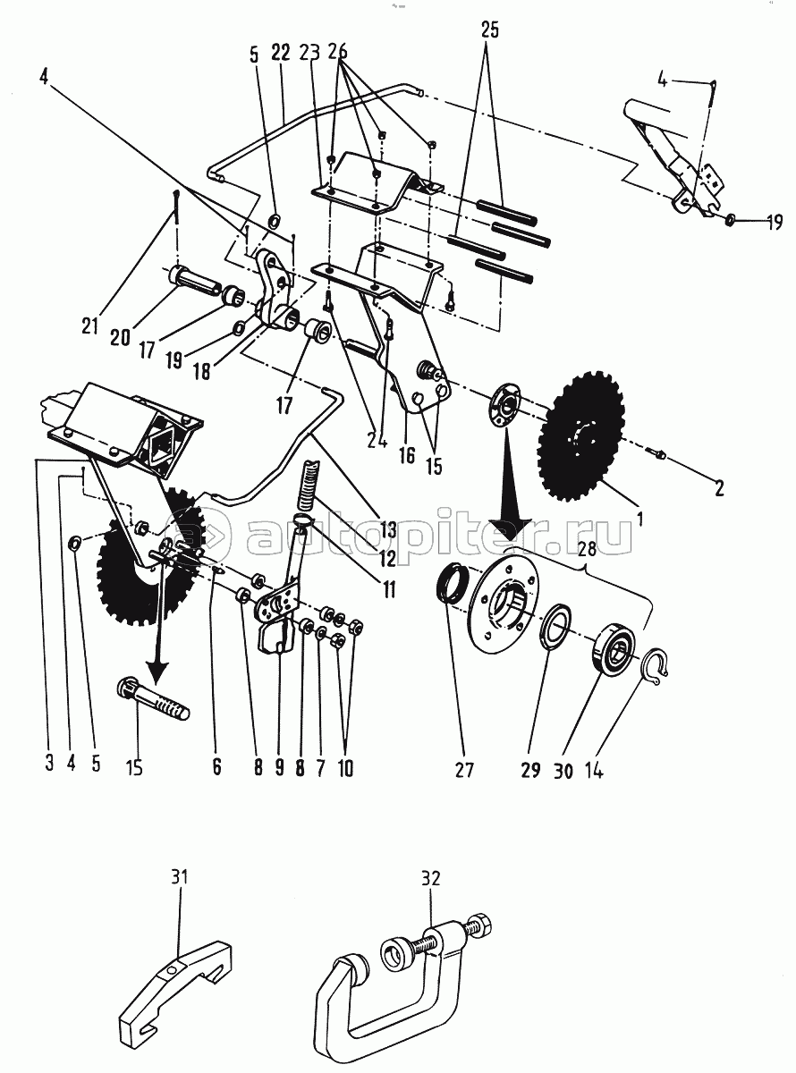
FENIX Transmission RD 500-800F

Coulter system RD 500-800F

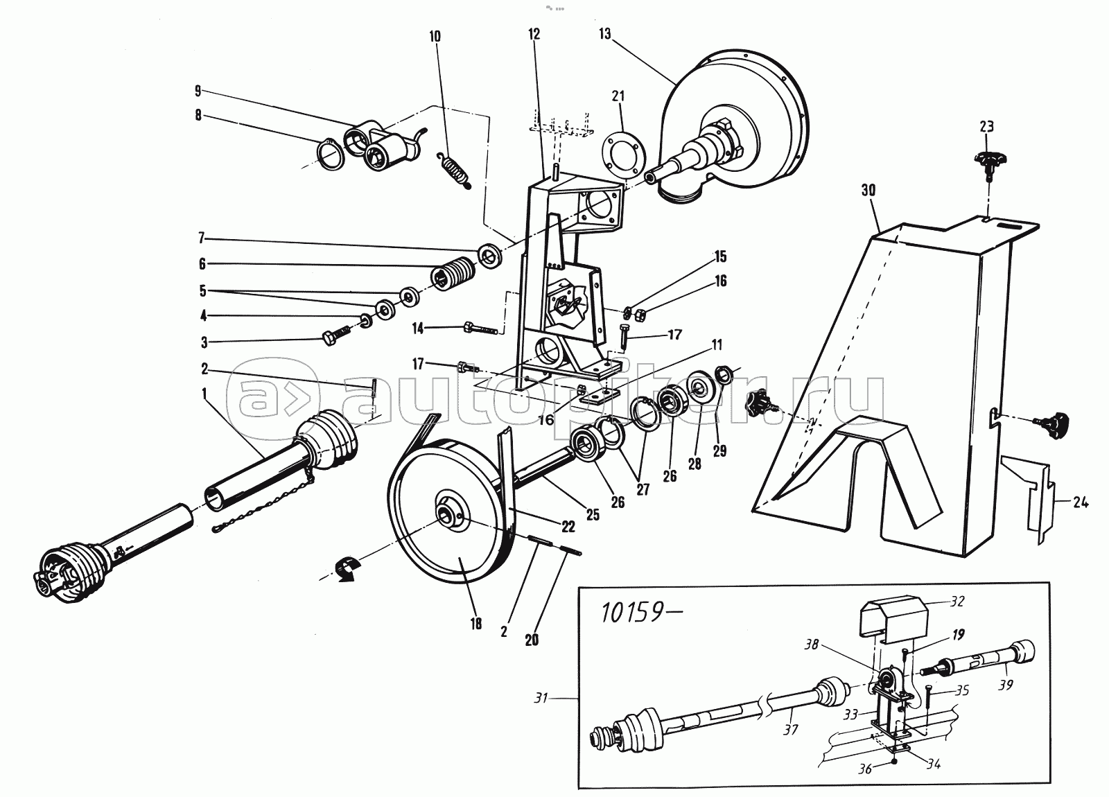
Wheel RD 500-800F

Hydraulics, lifting RD 500-800F

Hydraulics, bout markers RD 500F, s/n 10 950-

Hydraulics, bout markers RD 500F, s/n -10 949

Hydraulics, bout markers RD 600-800F, s/n 10 950-

Hydraulics, bout markers RD 600-800F, s/n -10 949

Hydraulics, Folding-weight transfer RD 500-600F

Hydraulics, Folding-weight transfer RD 800F

Electrical system RD 500-800F, s/n 10 950-

Electrical system RD 500-800F, s/n -10 949

Mounting, lighting unit RD 500-800F

Adhesive labels and other RD 500-800F

Crossboard-System Agrilla RD 500-800F

Hydraulics, Crossboard-System Agrilla RD 500-800F

Following harrow RD 500-800F

Pre-emergence bout markers RD 500-800F, s/n 10 310-

Pre-emergence bout markers RD 500-800F, s/n -10 309

Hydraulics, pre-emergence bout markers RD 500-800F

Rigid tines RD 500-800F

Hydraulic push rod RD 500-800F, s/n 10 310-

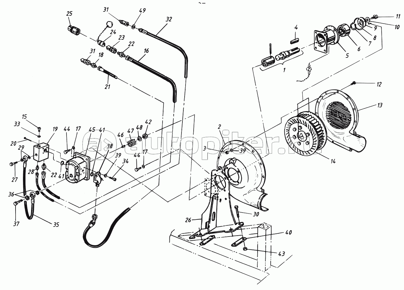
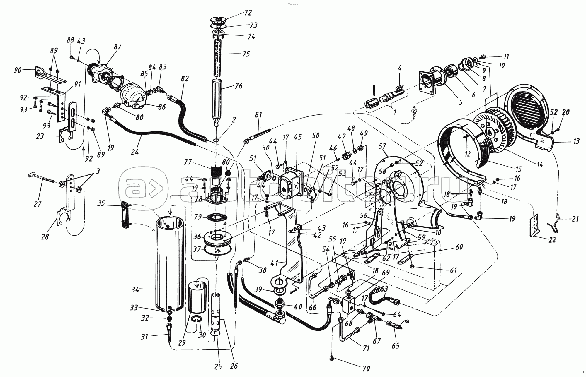
Hydraulic fan P.T.O RD 500-800F, s/n 10 950-

Hydraulic fan P.T.O RD 500-800F, s/n 10 199-10 949

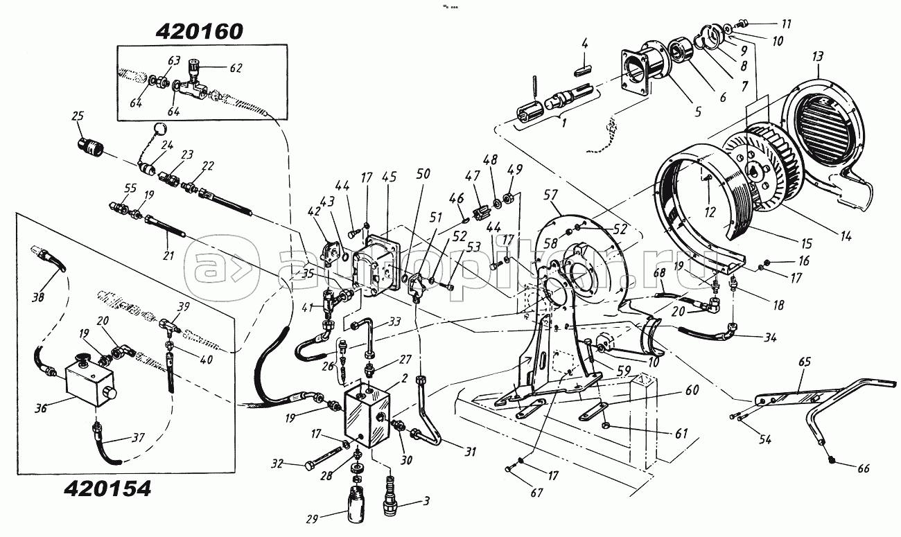
Hydraulic fan RD 500-600F, s/n -10 158

Hydraulic fan RD 500-600F, s/n -10 158

Hydraulic fan RD 800F, s/n -10 158

Hydraulic fan RD 800F, s/n -10 158

System Disc RD 500-800F

Wing packer RD 500-800F

Rigid wheel press RD 500-800F

Hopper extension RD 500-800F, s/n 10 310-

Auger RD 500-800F

Auger RD 500-800F