Versatile серии GENESISversatile-serii-genesis
Поиск деталей
Например: 07A01a Картер КПП
Трансмиссия и механизм отбора мощностиКабина в сборе и трубчатый каркасПередняя ось и рулевое управлениеСиденье и безопасностьТормозная системаТопливная системаСистема очисткиСистема охлажденияЭлементы системы гидравлического управленияЭлектрическая системаСиловая установкаДетали заднего мостаКолеса, весовые категорииРама, листовой металл, решетка и отделкаСборные элементы

05A01 Привод гидравлического насоса

05A02 Привод гидравлического насоса

05A03 Насос шестеренный в сборе

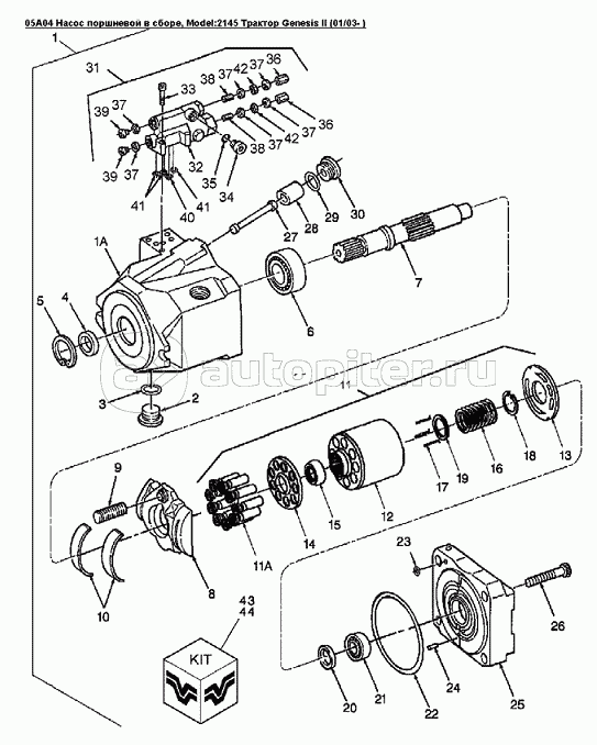
05A04 Насос поршневой в сборе

05A05 Гидравлика стандартная низкого давления

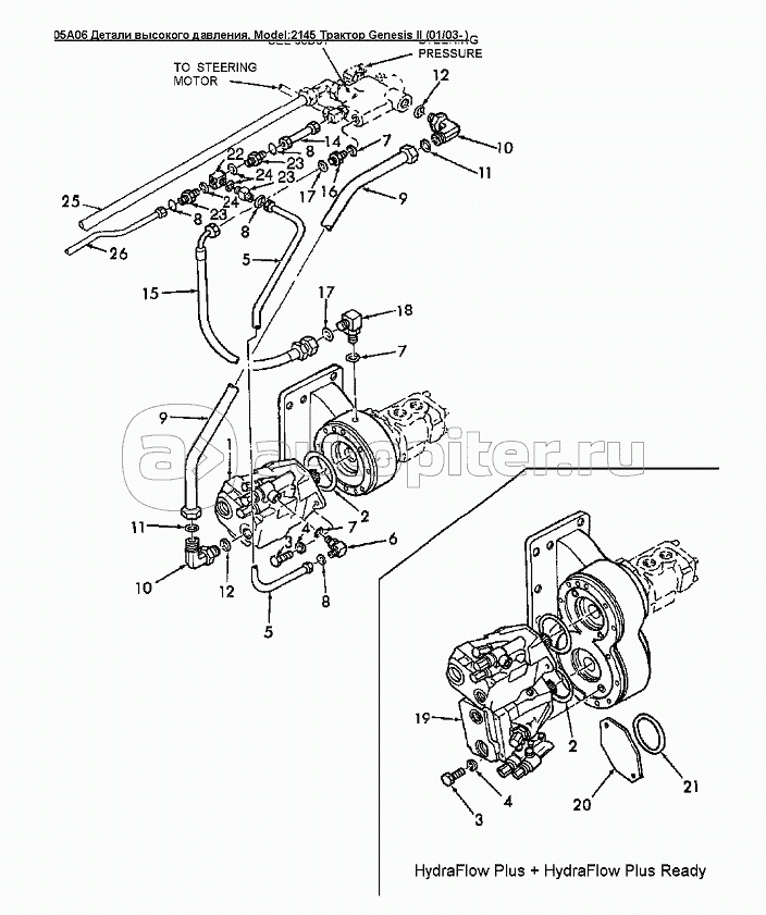
05A06 Детали высокого давления

05A07 Всасывающие детали стандартной гидравлики

05A08 Трубопроводы стандартной гидравлики

05A09 Система гидравлическая низкого давления

05A10 Система гидравлическая

05A11 HYDRAFLOW PLUS HYDRAULICS, REMOTE TUBING

05A12 Подъемный цилиндр

05B01 Подъемный рычаг

05B02 Подъемная тяга в сборе

05B03 Тяга подъемная

05B04 Кулиса подъемная в сборе

05B06 Цилиндр подъемный в сборе 4

05B07 Наконечник ручки подъемной

05B09 Цилиндр подъемный в сборе 4

05C01 Пульт гидравлики

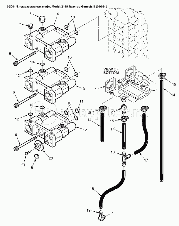
05D01 Блок разрывных муфт

05D02 COUPLER ASSEMBLY w/o CHECK VALVE

05D03 COUPLER ASSEMBLY c/w CHECK VALVE

05E01 Клапан перепускной

05E01a Клапан обводной линии охладителя

05F02 Клапан дистанционного управления в сборе 4-х секционный

05F04 OUTLET, REMOTE HYDRAULIC VALVE

05F03 Клапан дистанционного управления в сборе 5-х секционный

05F05 Секция распределителя

05F06 Секция распределителя №2

05F07 Секция распределителя №1

05F08 Секция распределителя №2

05F09 Секция распределителя №3 & 4

05F10 Клапан блокировки

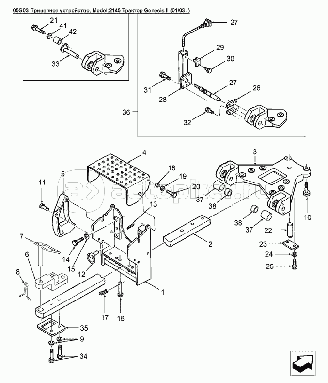
05G03 Прицепное устройство

05G03a Прицепное устройство усиленное

05G04 Поворотная сцепка

17E01 Крепление нижней тяги-стабилизатора

17E02 Нижняя тяга-стабилизатор - EUROPE

17G01 Прицепное устройство, ползун и сцепная серьга - EUROPE

17G01A Шарнирный движок в сборе, AUTO - EUROPE

17G02 Вертлюжное соединение, AUTO - EUROPE