To content
Помощь по сайту
Новости
zapros.kg@autopiter.com
Контакты
Страна: Кыргызстан
Выберите язык
Ru — Русский
En — English
De — Deutsch
Pl — Polski
Все категории
Каталоги запчастей
Бишкек
Вход
Корзина
Все категории
Каталоги запчастей
Фильтры Hebel Kraft
Оригинальные каталоги по VIN
Неоригинальные запчасти
Запчасти ВАЗ, ГАЗ, КАМАЗ
Запчасти для ТО
Для спецтехники
Запчасти на ВАЗ, ГАЗ, Камаз и т.д.
ВгТЗ
ДТ-75Н
ДТ-75Н
dt-75n
Поиск деталей
Например:
Кабина
Кузов
Кабина
Сиденье
Вентиляция и отопление
Капот, крылья, облицовка радиатора
Двигатель
Двигатель
Система питания
Система выпуска отработанных газов
Система охлаждения
Двигатель пусковой
Трансмиссия
Сцепление
Коробка передач
Передача карданная
Мост задний
Ходоуменьшитель
Реверс-редуктор
Ходовая часть
Рама
Подвеска
Гусеницы и катки опорные
Механизмы управления
Управление трактором
Электрооборудование
Электрооборудование
Дополнительное оборудование
Устройство прицепное
Вал отбора мощности
Гидросистема
Оборудование навесное
Принадлежности
Инструменты и принадлежности
Установка гидронасоса НШ50У-2-Л
Установка гидронасоса НШ10Е-3-Л
Бак масляный
Установка распределителя гидросистемы
Установка распределителя гидросистемы. Корпус в сборе
Маслопроводы гидросистемы
Гидроусилитель управления
Гидроусилитель
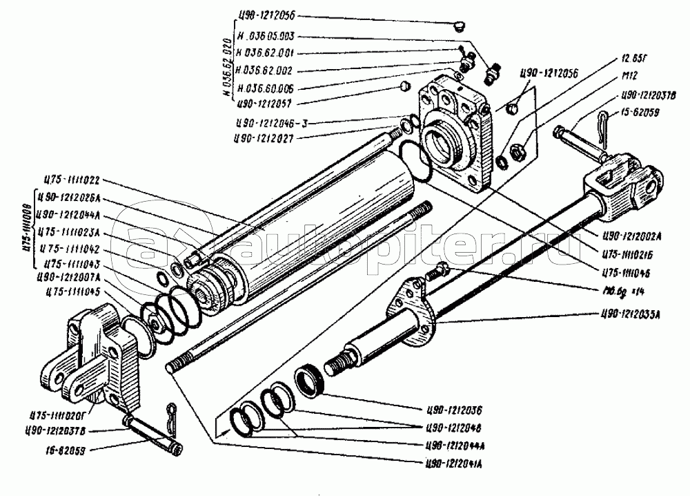
Цилиндр основной
Цилиндр выносной
Цилиндр выносной. Шланги
Заказы на сайте принимаются и обрабатываются круглосуточно
Бесплатно доставляем заказы «до двери» оптовым клиентам 5‑6 раз в неделю нашей собственной курьерской службой
Для тех, кто забирает заказы самостоятельно мы стараемся удобно располагать наши пункты самовывоза
Оплатить все товары можно
Или выбрать другой удобный для вас способ