Д-65d-65
Поиск деталей
Например: Блок цилиндров

Блок цилиндров

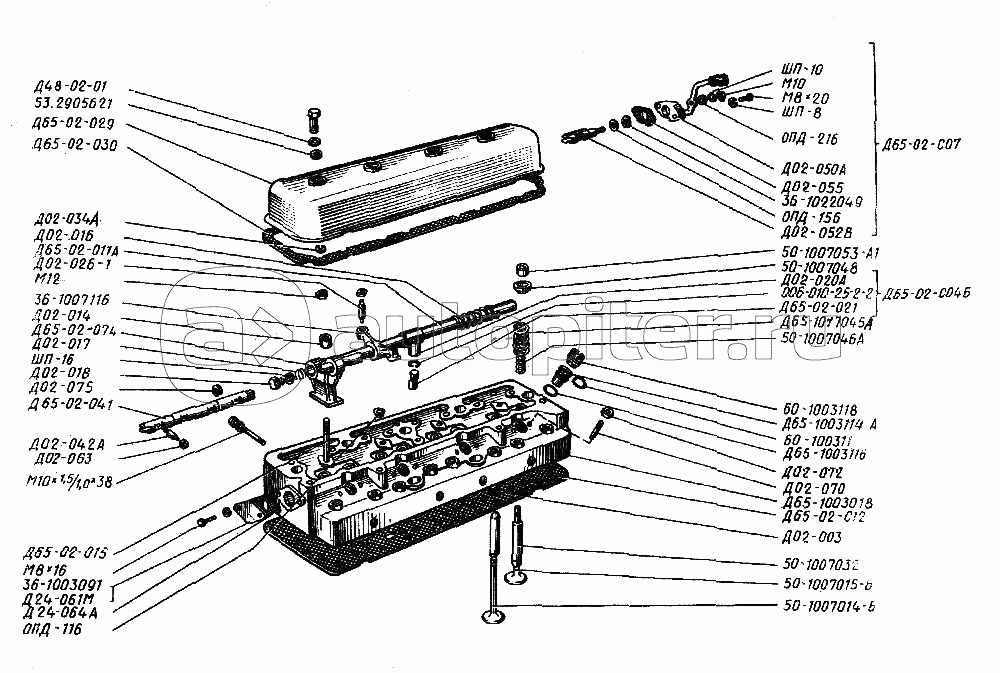
Головка цилиндров

Кривошипно-шатунный механизм

Механизм газораспределения

Насос масляный

Фильтр масляный

Привод тахоспидометра и счетчика моточасов

Двигатель пусковой

Механизм кривопшипно-шатунный пускового двигателя

Механизм передачи пускового двигателя

Механизм включения бендикса

Дистанционное управление пуском

Регулятор пускового двигателя

Привод масляного насоса гидросистемы

Установка электростартера

Привод генератора