Axial Flow 2388axial-flow-2388
Поиск деталей
Например: RADIATOR - FAN SHROUD
ENGINEELECTRICAL SYSTEMSTEERINGHYDROSTATICSHYDRAULICSSEPARATORFEEDERFIELD TRACKERBEATERUNLOADERSTRAW SPREADERCABSHIELDSLADDERPLATFORMDECALS

CONTROLS - BRAKES, MASTER

HYDRAULICS - BRAKES, MASTER

BRAKES, MASTER

VALVE ASSY - BRAKES, MASTER

HYDRAULICS - BRAKE, PARKING AND TOW VALVE

RESERVOIR - OIL, HYDRAULIC

HYDRAULICS - RESERVOIR TO HYDROSTATIC PUMP

FILTER ASSY - OIL, RETURN - RETURN FILTER MOUNTING

HYDROSTATIC - FILTER, PUMP SUCTION - SUCTION FILTER MOUNTING

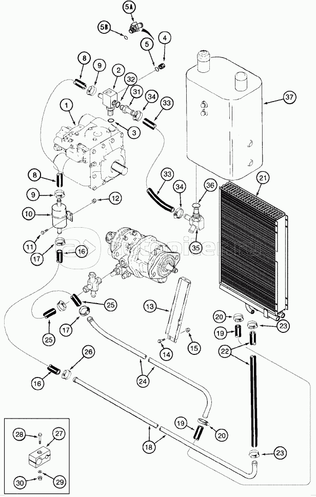
OIL COOLER SYSTEM

HYDRAULICS - AUXILIARY PUMP SUPPLY

HYDRAULICS - AUXILIARY PUMP RETURN

PUMP, AUXILIARY - MOUNTING AND DRIVE

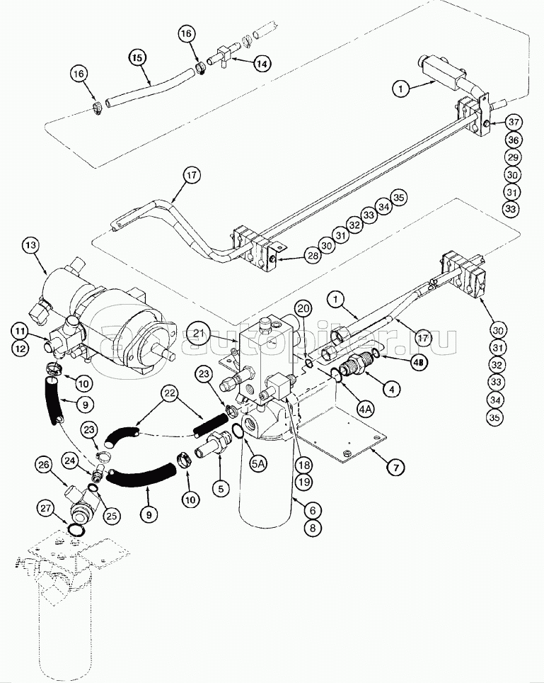
HYDRAULICS - HEADER LIFT VALVE SUPPLY

HYDRAULICS - HEADER LIFT

VALVE, CONTROL - MOUNTING

VALVE ASSY - CONTROL - HEADER LIFT VALVE ASSY

VALVE ASSY - CONTROL - 4-WAY, 3 POSITION

VALVE ASSY - CONTROL - HEADER LIFT WITH FORE AND AFT VALVE ASSY

VALVE ASSY - CONTROL - HEADER LIFT WITH REEL FORE AND AFT AND FIELD TRACKER

VALVE ASSY - HEADER HEIGHT

VALVE ASSY - PARKING BRAKE AND FEEDER CLUTCH

HYDRAULICS - REEL DRIVE

REEL DRIVE - COUPLING MOUNTING

VALVE ASSY - REEL DRIVE

HYDRAULICS - REEL LIFT AND FORE/AFT

HYDRAULICS - FEEDER CLUTCH

HYDRAULICS - ROTARY AIR SCREEN CIRCUIT (PLASTIC SCREEN)

HYDRAULICS - ROTARY AIR SCREEN VACUUM

HYDRAULICS - UNLOADER CLUTCH

HYDRAULICS - SEPARATOR CLUTCH - PTO CIRCUIT

HYDRAULICS - SEPARATOR CLUTCH

VALVE ASSY - CLUTCH, SEPARATOR/UNLOADER

VALVE ASSY - ROTARY SCREEN BYPASS

CYLINDER ASSYS - FEEDER CLUTCH

ACCUMULATOR - MOUNTING AND SYSTEM

HYDRAULICS - UNLOADER TUBE SWING CYLINDER

HYDRAULICS - FIELD TRACKER

CYLINDER ASSY - FIELD TRACKER, TILT

HYDRAULICS - FEEDER REVERSER

FEEDER REVERSER MOTOR - HYDRAULIC

VALVE ASSY - FEEDER REVERSER

COMBINE HEADER ADAPTER, HOSES AND COUPLINGS

HYDRAULICS - AUTO GUIDANCE - ASN HAJ331

VALVE, AUTO GUIDANCE - ASN HAJ331

BELT DRIVE - JACKSHAFT, FAN

BELT DRIVE - RIGHT-HAND SIDE