To content
Помощь по сайту
Новости
zapros.kg@autopiter.com
Контакты
Все категории
Каталоги запчастей
Бишкек
Вход
Корзина
Все категории
Каталоги запчастей
Фильтры Hebel Kraft
Оригинальные каталоги по VIN
Неоригинальные запчасти
Запчасти ВАЗ, ГАЗ, КАМАЗ
Запчасти для ТО
Запчасти на ВАЗ, ГАЗ, Камаз и т.д.
CASE IH
Axial Flow 2388
Axial Flow 2388
axial-flow-2388
Поиск деталей
Например:
RADIATOR - FAN SHROUD
ENGINE
ELECTRICAL SYSTEM
STEERING
HYDROSTATICS
HYDRAULICS
SEPARATOR
FEEDER
FIELD TRACKER
BEATER
UNLOADER
STRAW SPREADER
CAB
SHIELDS
LADDER
PLATFORM
DECALS
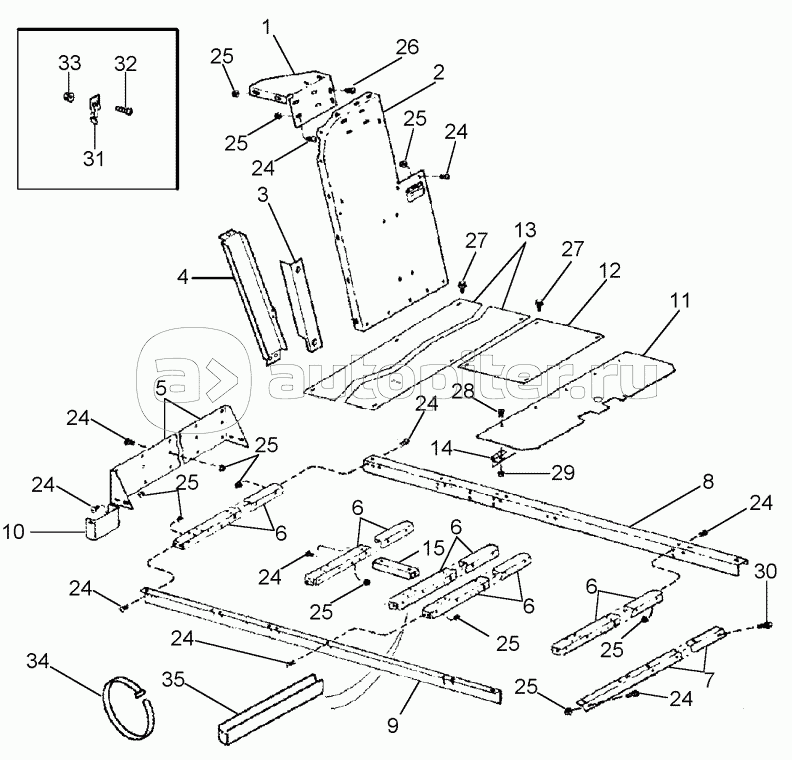
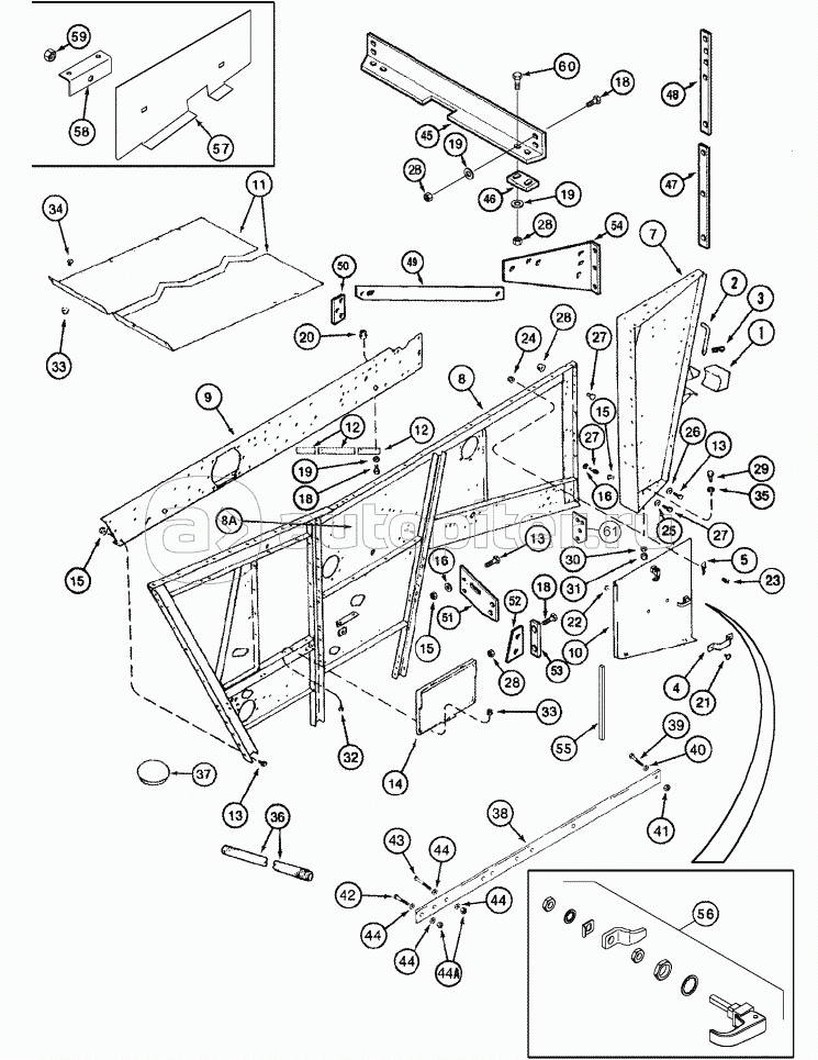
ENGINE SHIELDS AND SERVICE DECK
ENGINE SHIELDS AND SERVICE DECK SUPPORTS
SEPARATOR - DOORS - LEFT HAND
SEPARATOR - DOORS - RIGHT HAND
SEPARATOR - HOOD
DOOR - SHIELD - RIGHT HAND
DOOR - SHIELDS - LEFT HAND
GRAIN TANK, CORNER COVER PARTS
DEFLECTORS - SUPPORTS
Заказы на сайте принимаются и обрабатываются круглосуточно
Бесплатно доставляем заказы «до двери» оптовым клиентам 5‑6 раз в неделю нашей собственной курьерской службой
Для тех, кто забирает заказы самостоятельно мы стараемся удобно располагать наши пункты самовывоза
Оплатить все товары можно
Или выбрать другой удобный для вас способ