Case-580T (часть 1)case-580t-chast-1-2552
Поиск деталей
Например: 00.500.01(05) - DIA KIT
Запасные комплектыДвигательГидротрансформаторТрансмиссияКарданный валПередний мостЗадний мостТормозаГидравлическая система рабочего оборудованияПротивовесРамаРулевое управлениеКолесаОтопление и кондиционирование
-1/48.gif)
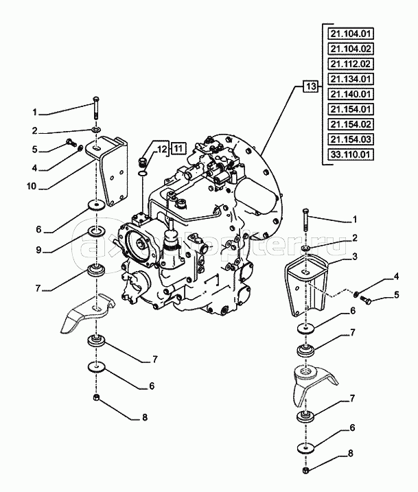
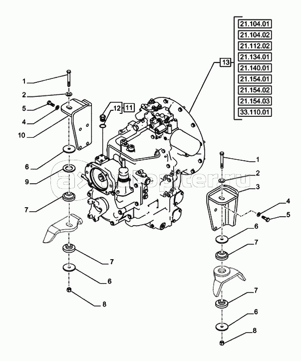
21.104.01 - TRANSMISSION OIL PUMP - POWERSHUTTLE
-1/49.gif)
21.104.02 - TRANSMISSION ASSY - FILTER, OIL - POWERSHUTTLE
-1/50.gif)
21.112.01(01) - TRANSMISSION - 2WD - POWER SHUTTLE - C7330
-1/51.gif)
21.112.01(01A) - TRANSMISSION - 2WD - POWER SHUTTLE - D7330
-1/52.gif)
21.112.0101(01) - TRANSMISSION - 4WD - POWERSHUTTLE - C7330
-1/53.gif)
21.112.0101(01A) - TRANSMISSION - 4WD - POWERSHUTTLE - D7330
-1/54.gif)
21.112.02 - TRANSMISSION - HOUSING - 2WD - POWERSHUTTLE
-1/55.gif)
21.112.0201 - TRANSMISSION HOUSING - 4WD - POWERSHUTTLE
-1/56.gif)
21.112.0301 - GEARBOX - 4TH GEAR LOCK (VAR.720296)
-1/57.gif)
21.112.04 - TRANSMISSION OIL DIPSTICK - POWER SHUTTLE
-1/58.gif)
21.113.02 - TRANSMISSION - POWERSHIFT - PUMP, OIL
-1/59.gif)
21.113.03 - TRANSMISSION - POWERSHIFT - HOUSING &FILTER OIL
-1/60.gif)
21.113.04(01) - TRANSMISSION HOUSING - 4WS POWERSHIFT
-1/61.gif)
21.113.04(02) - TRANSMISSION HOUSING - 4WS POWERSHIFT
-1/62.gif)
21.134.01 - TRANSMISSION CONTROL HAND LEVER - POWERSHUTTLE
-1/63.gif)
21.134.02 - TRANSMISSION ASSY - VALVE, CONTROL - 2WD - POWERSHUTTLE
-1/64.gif)
21.134.0201 - TRANSMISSION ASSY - 4WD - POWERSHUTTLE - VALVE, CONTROL
-1/65.gif)
21.135.01 - TRANSMISSION - POWERSHIFT - VALVE, CONTROLS
-1/66.gif)
21.140.01 - TRANSMISSION - SHAFT, INPUT & PTO - POWERSHUTTLE
-1/67.gif)
21.154.01 - TRANSMISSION - SHAFT, SECONDARY - 2WD - POWERSHUTTLE
-1/68.gif)
21.154.0101 - TRANSMISSION - SHAFT, SECONDARY - 4WD - POWERSHUTTLE
-1/69.gif)
21.154.02 - TRANSMISSION - SHAFT, REVERSE & PRIMARY - POWERSHUTTLE
-1/70.gif)
21.154.03 - GEARBOX COUPLING - POWERSHUTTLE
-1/71.gif)
21.154.04 - TRANSMISSION - 4WD - SHAFT, OUTPUT - POWERSHUTTLE
-1/72.gif)
21.155.02 - TRANSMISSION - POWERSHIFT - SHAFT, REVERSE & PRIMARY