ГАЗ-3302 (2004)gaz-3302-2004
Поиск деталей

Рессора передняя многолистовая (для автомобилей выпуска до апреля 2000 г.)

Рессора передняя малолистовая (для автомобилей выпуска с апреля 2000 г.)

Амортизатор подвески, крепление передних амортизаторов

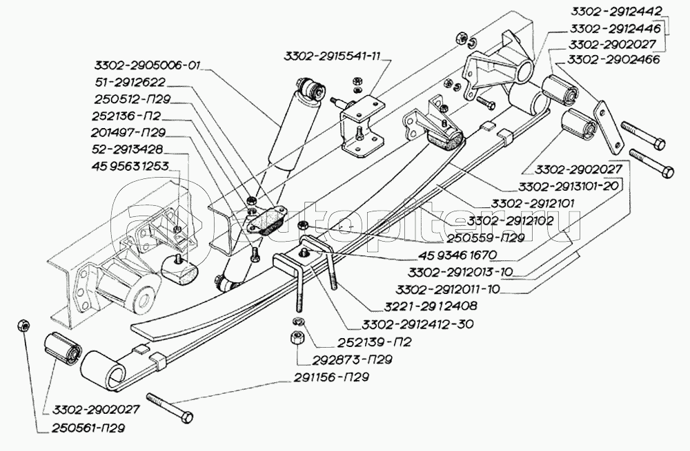
Установка задней подвески. Рессора задняя многолистовая (для автомобилей выпуска до января 2003 г.)

Установка задней подвески. Рессора задняя с подрессорником (для автомобилей выпуска с января 2003 г.)