ГАЗ-3302 (2004)gaz-3302-2004
Поиск деталей

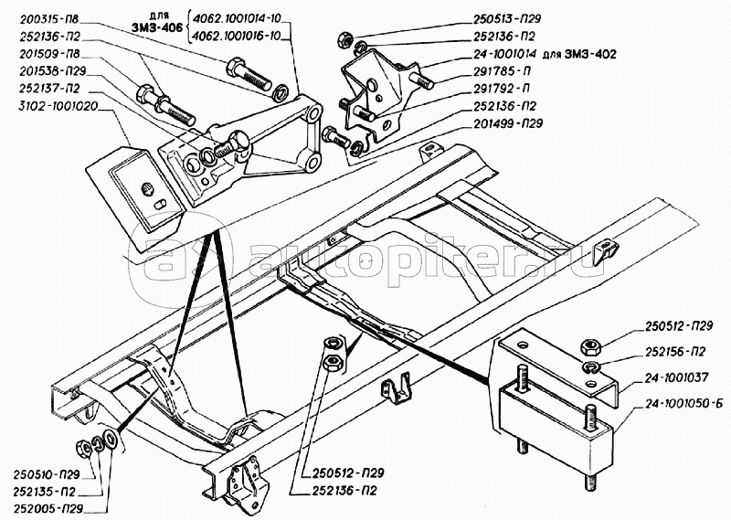
Подвеска двигателей

Блок и головка цилиндров, датчик синхронизации системы зажигания двигателей ЗМЗ-406

Блок и головка цилиндров, датчик давления масла и датчик перегрева охлаждающей жидкости двигателей ЗМЗ-402

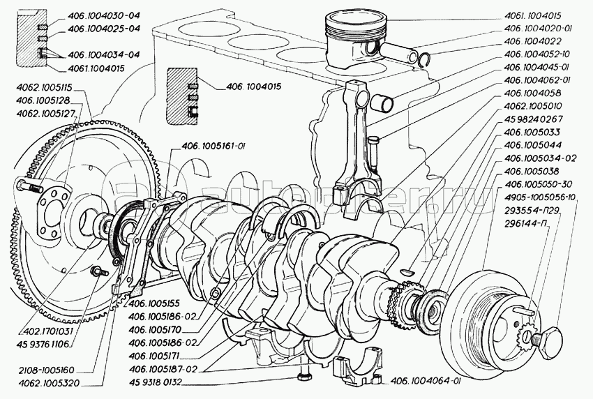
Вал коленчатый, поршни и шатуны двигателей ЗМЗ-406

Вал коленчатый, поршни и шатуны двигателей ЗМЗ-402

Валы распределительные и цепной привод распредвалов двигателей ЗМЗ-406

Газораспределительный механизм ЗМЗ-406

Газораспределительный механизм ЗМЗ-402

Газопровод двигателей ЗМЗ-406

Газопровод двигателей ЗМЗ-402

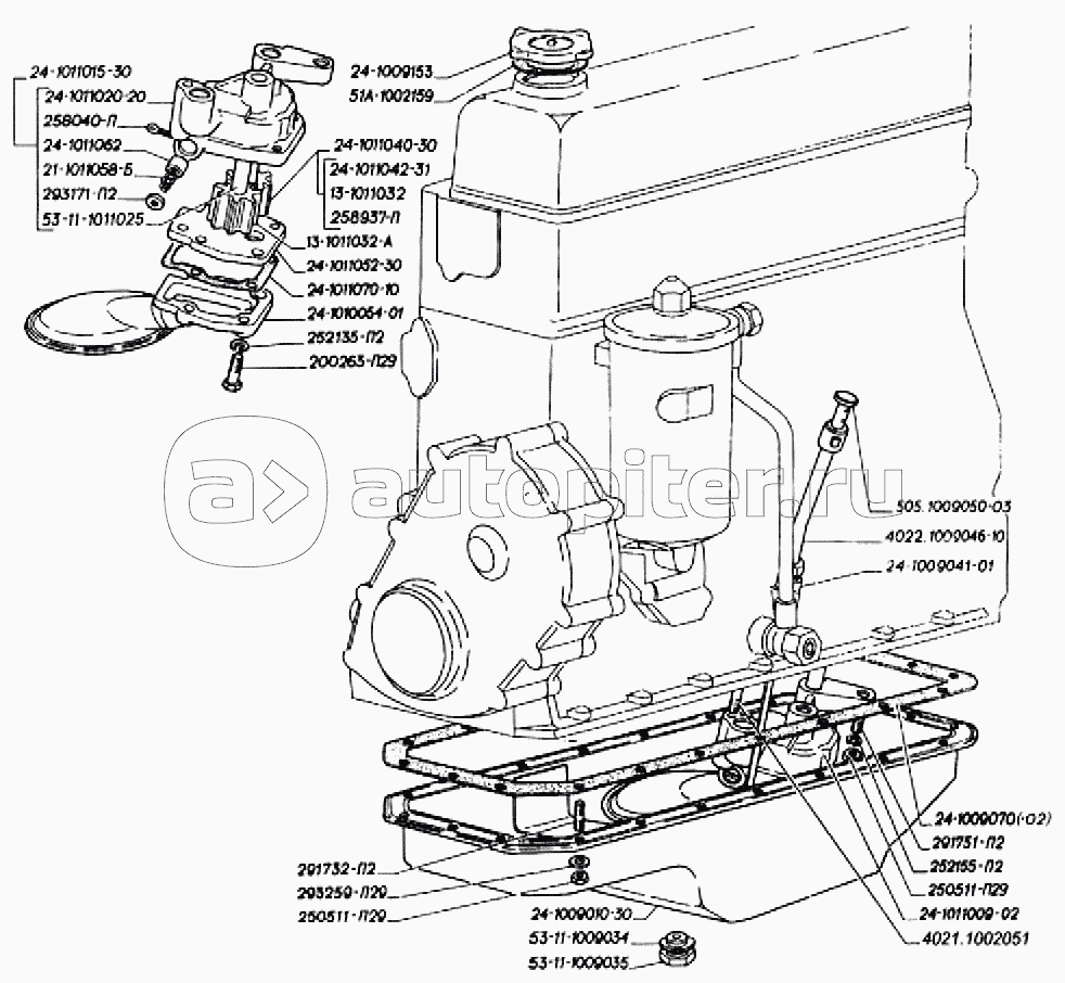
Насос масляный и его привод, фильтр очистки масла, картер

Картер масляный, указатель уровня масла, насос масляный ЗМЗ-402

Привод распределителя зажигания и масляного насоса, фильтр тонкой очистки масла

Комплекты запасных частей