To content
Помощь по сайту
Новости
zapros.kg@autopiter.com
Контакты
Все категории
Каталоги запчастей
Бишкек
Вход
Корзина
Все категории
Каталоги запчастей
Фильтры Hebel Kraft
Оригинальные каталоги по VIN
Неоригинальные запчасти
Запчасти ВАЗ, ГАЗ, КАМАЗ
Запчасти для ТО
Для спецтехники
Запчасти на ВАЗ, ГАЗ, Камаз и т.д.
ХТЗ
Т-150К
Т-150К
t-150k
Поиск деталей
Например:
Кабина 151.45.001
Кузов
Кабина
Сиденья
Вентиляция и отопление
Капот, крылья, облицовка радиатора
Двигатель
Двигатель
Система питания
Система выпуска отработанных газов
Система охлаждения
Система смазки
Система очистки воздуха
Трансмиссия
Сцепление
Коробка передач
Коробка раздаточная
Передача карданная
Мосты
Ходовая часть
Рама
Подвеска
Колеса
Механизмы управления
Управление рулевое
Тормоза
Система пневматическая
Электрооборудование
Электрооборудование
Дополнительное оборудование
Устройство прицепное
Коробка отбора мощности
Система гидравлическая
Оборудование навесное
Принадлежности
Инструмент и принадлежности
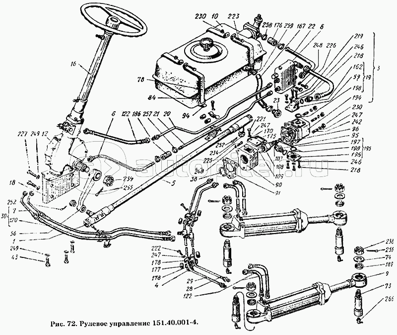
Рулевое управление 151.40.001-4
Рулевой механизм 151.40.051-1
Колонка рулевого управления 151.40.056-1
Тяга 151.40.022-2
Клапан расхода 151.40.039-1
Гидроцилиндр 151.40.040-3
Бак гидросистемы 151.40.044-4
Заказы на сайте принимаются и обрабатываются круглосуточно
Бесплатно доставляем заказы «до двери» оптовым клиентам 5‑6 раз в неделю нашей собственной курьерской службой
Для тех, кто забирает заказы самостоятельно мы стараемся удобно располагать наши пункты самовывоза
Оплатить все товары можно
Или выбрать другой удобный для вас способ