Т-150Кt-150k
Поиск деталей
Например: Кабина 151.45.001

Установка двигателя 151.00.001

Блок-картер 60-01001.21

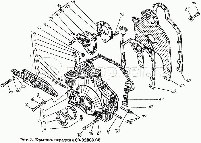
Крышка передняя 60-02003.00

Картер маховика 60-02005.20

Привод 60.02014.00

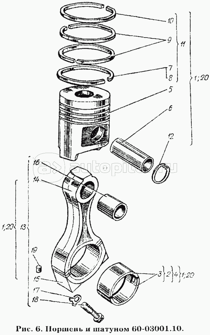
Поршень с шатуном 60-03001.10

Вал коленчатый 60-04001.00

Механизм распределения 60-05001.10

Головка цилиндров 60-06001.10

Крышка картера 60-08001.40

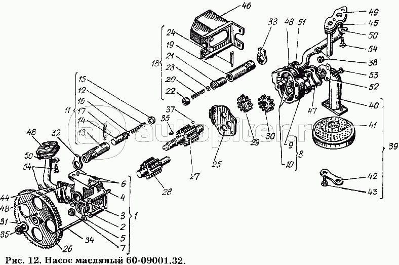
Насос масляный 60-09001.32

Центрифуга масляная полнопоточная 60-10002.00

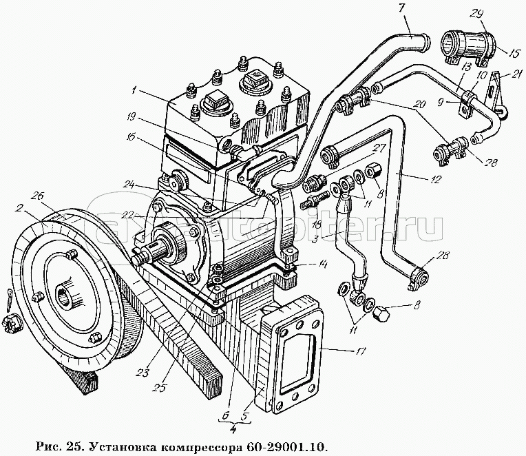
Установка компрессора 60-29001.10

Корпус компрессора 111.300013.00

Корпус средний 112.30.003.01

Корпус турбины 112.30008.00

Пусковой двигатель П-350. 350.01.010.00

Пусковой двигатель П-350. 350.03.010.00

Пусковой механизм 350.03.010.11

Регулятор пускового двигателя Д27С11В

Редуктор пускового двигателя 350.12.010.00

Редуктор пускового двигателя 350.12.010.00

Редуктор пускового двигателя 350.12.010.00

Система подогрева двигателя 150.23.001

Котел пускового подогревателя 150.23.013-1

Привод тахоспидометра ПТ-3802000У2